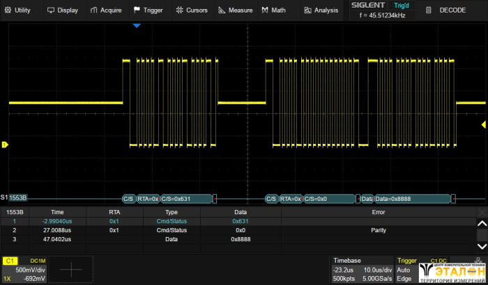
Эксплуатация, тестирование, ремонт любых электронных и радиотехнических устройств неразрывно связаны с фиксацией электрических, магнитных или электромагнитных величин. Стабильность этих параметров является залогом безопасной и корректной работы оборудования. SDS-5000X-MIL1553B опция и другие аксессуары делают измерения комфортными даже в сложных условиях и обеспечивают их высокую точность. Специальные приспособления используются и в лабораториях, и на промышленных объектах, и для полевых исследований и экспериментов. Они отвечают строгим отраслевым стандартам, легко встраиваются и подключаются.
ДОСТАВКА
Вы можете выбрать любой наиболее удобный способ из перечисленных ниже:
Доставка до терминала ТК «Деловые линии» осуществляется нами бесплатно.
ОПЛАТА
Мы принимаем оплату:
Цены на поставляемые нами товар всегда ниже, чем у наших конкурентов.
Условия гарантийного обслуживания
Гарантия не распространяется на ущерб, причиненный другому оборудованию, работающему вместе с данным изделием.
Центр измерительной техники «Эталонприбор» располагает своим собственным ремонтным сервисом, где Вы можете получить услуги по: ремонту, наладке, калибровке, гарантийному и послегарантийному обслуживанию измерительного оборудования, как приобретенного у нас, так и у других поставщиков. Сервис работает на основе лицензии, выданной Ростехрегулированием РФ.
