Применяются для питания и обеспечения искробезопасности цепей контактных датчиков.
Типы датчиков и входные сигналы
типы датчиков | контактный датчик с "сухими" контактами |
входные сигналы | 3 кОм |
выходные сигналы | - контакты реле 0,5 А, 36 В DC - контакты реле 50 мА, 220 В АС |
Параметры искрозащиты
максимальное входное напряжение, Um | 250 В |
максимальное выходное напряжение, U0 | 25,2В |
максимальный выходной ток, I0 | 100 мА |
максимальная выходная мощность, Р0 | 0,63 Вт |
Прочие параметры
потребляемый ток | 50 мА |
температура | -20...60°С |
защита корпуса | IP 30 |
габаритные размеры | 20x77x107 мм |
монтаж | - шина заземления |
масса | 0,135 кг |
Пример оформления заказа
карта заказа:
РИФ - А5 X X X N

пример заказа:
РИФ - А5 0,1% НЗК 36 В ТУ-4217-055-00226253-2001 8 шт.
Аналоги
PHO-A5-DIN
Стандарты
[Exib]IIC [Exib]IIB внешняя емкость, С0 0,08 мкФ 0,8 мкФ внешняя индуктивность, L0 1,7 мГн 9 мГн ток - напряжение -
Общие характеристики
Тип барьера: активный
Маркировка по взрывозащите:
Количество каналов: 1
Питание: 24 В или 36 В DC
Параметры нагрузки цепи
Погрешность передачи сигнала
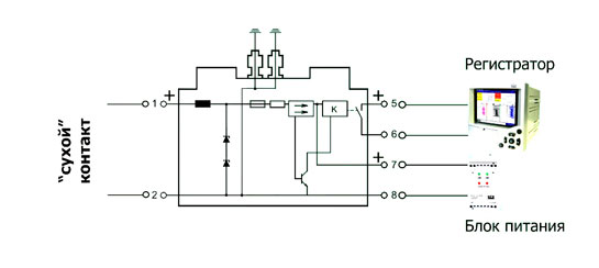
Схема подключения
Опасная зона Безопасная зона
ДОСТАВКА
Вы можете выбрать любой наиболее удобный способ из перечисленных ниже:
Доставка до терминала ТК «Деловые линии» осуществляется нами бесплатно.
ОПЛАТА
Мы принимаем оплату:
Цены на поставляемые нами товар всегда ниже, чем у наших конкурентов.
Условия гарантийного обслуживания
Гарантия не распространяется на ущерб, причиненный другому оборудованию, работающему вместе с данным изделием.
Центр измерительной техники «Эталонприбор» располагает своим собственным ремонтным сервисом, где Вы можете получить услуги по: ремонту, наладке, калибровке, гарантийному и послегарантийному обслуживанию измерительного оборудования, как приобретенного у нас, так и у других поставщиков. Сервис работает на основе лицензии, выданной Ростехрегулированием РФ.
