Зарядные устройства ОВЕН ЗУ120К и ЗУ100К предназначены для непрерывного подключения к аккумуляторным батареям и поддержания их в режиме постоянной готовности. В составе щита управления устройства могут использоваться для работы с дизельными, бензиновыми и газовыми электростанциями для заряда стартерных свинцово-кислотных АКБ или для питания различного промышленного оборудования с зарядом литиевых АКБ.
Прибор является частью «Экосистемы-210» компании «ОВЕН». Встроенные программные алгоритмы позволяют блоку питания передавать данные о своем состоянии по сети Ethernet и в облачный сервис OwenCloud.

Зарядное устройство работает параллельно зарядным генераторам двигателя и обеспечивает необходимый режим работы стартерной АКБ
| Наименование | Значение | |
| ЗУ120К-24 | ЗУ100К-12 | |
| Выходные параметры |
| |
| Номинальное напряжение (Uном) | 24 В | 12 В |
| Номинальный ток (Iном) | 5 А | 8,5 А |
| Номинальная мощность(Pном) | 120 Вт | 100 Вт |
| Диапазон подстройки выходного напряжения | 15,0...29,4 В | 7,5…14,65 В |
| Допустимое отклонение напряжения, в том числе: | ||
| - нестабильность выходного напряжения от входного напряжения | ±0,7 % | |
| - нестабильность выходного напряжения от выходного тока | ±2 % | |
| - коэффициент температурной нестабильности | ±0,018 % / °С | |
| Размах напряжения шума и пульсаций (межпиковое), не более | 120 мВ | |
| Время установления выходного напряжения, не более | 5 с | |
| Входные параметры | ||
| Рабочее напряжение питания переменного тока | 90...264 В | |
| Частота переменного тока | 47...63 Гц | |
| Рабочее напряжение питания постоянного тока | 125...370 В | |
| Максимальный ток потребления | 1,65 А | |
| Пусковой ток, не более | 30 А | |
| КПД, не менее** | 90 % | |
| Дискретный выход | ||
| Количество | 1 | |
| Тип выхода | Оптопара транзисторная n-p-n-типа | |
| Максимальный коммутируемый ток | 50 мА | |
| Максимальное коммутируемое напряжение | 80 В | |
| Безопасностьи ЭМС | ||
| Тип защиты от перегрузки – ограничение выходного тока: порог ограничения выходного тока | 106…125 % от Iном | |
| Тип защиты от перегрева – отключение выхода: порог отключения выхода, не более | 87 °С | 100 °С |
| Тип защиты от перегрева АКБ* – отключение выхода: порог отключения выхода, не более | 50 °С | |
| Тип защиты от глубокого разряда – отключение выхода: порог отключения выхода, не менее | 15 В | 7,5 В |
| Тип защиты от перезаряда – отключение цепи заряда: порог отключения | 29,4 В | 14,65 В |
| Тип защиты от КЗ – отключение выхода | Есть | |
| Устойчивость к воздействию одиночных механических ударов, падению в транспортной таре и воздействию вибрации | Соответствуют ГОСТ IEC 61131-2 | |
| Устойчивость к электромагнитным воздействиям по ГОСТ 51317.4 | Критерий качества В | |
| Излучение радиопомех (помехоэмиссия) | Соответствует ГОСТ 32132.3** | |
| Степень защиты по ГОСТ 14254 | IP20 | |
| Категория перенапряжения по ГОСТ Р 50571.19 | II | |
| Степень загрязнения по ГОСТ Р 50030.1 | 2 | |
| Сопротивление изоляции (вход – выход – корпус) при 500 В, не менее | 20 МОм | |
| Условия эксплуатации | ||
| Рабочий диапазон температур окружающей среды | -40…+60 °С | |
| Температура хранения и транспортирования | -40…+60 °С | |
| Влажность воздуха при +25 °С и более низких температурах без конденсации влаги, не более | 80 % | |
| Атмосферное давление | 84…106,7 кПа | |
| Измерительные входы | ||
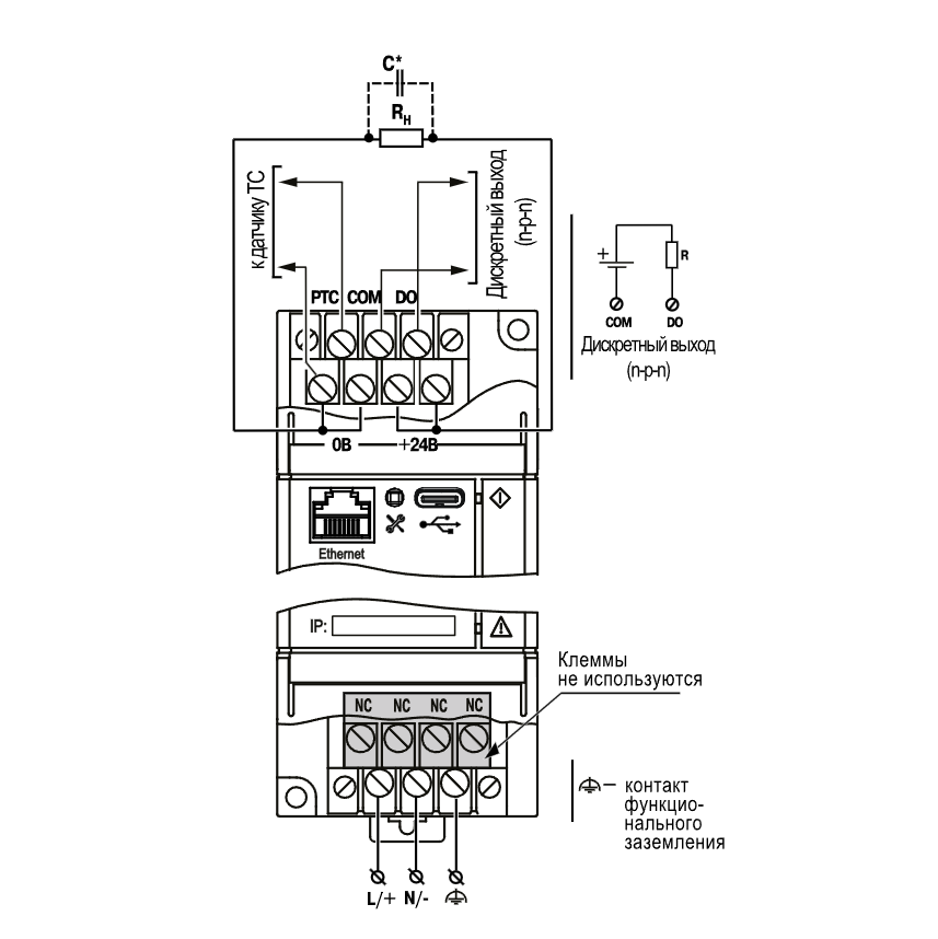
| Количество входов термопреобразователей сопротивления (ТС) | 1 | |
| Диапазон измерения температуры внешним датчиком ТС | -5...+55 °С | |
| Время опроса входа ТС*** | 1 с | |
| Предел допускаемой основной приведенной (к диапазону измерений) погрешности | 5,0 % | |
| Прочее | ||
| Срок эксплуатации | 10 лет | |
| Срок гарантийного обслуживания, не менее | 2 года | |
| Средняя наработка на отказ | 70 000 ч | |
| Масса, не более: | ||
| - без упаковки | 0,45 кг | |
| - в упаковке | 0,55 кг | |
ПРИМЕЧАНИЕ
* При условии подключения внешнего датчика ТС к АКБ.
** При условии подключения функционального заземления.
*** ТС – датчик PT1000.




График зависимости КПД от напряжения питания и температуры окружающей среды

Лицевая панель блока питания ЗУ120К и ЗУ100К
На лицевой панели блока питания ЗУ120К и ЗУ100К размещены сервисная кнопка, индикаторы «Работа» и «Авария», поле для нанесения IP-адреса (тонким маркером или наклейка), разъемы Ethernet и USB Type-C.
Сервисная кнопка предназначена для:
| Событие | Светодиоды | Дискретный выход | |
| Работа | Авария | DO | |
| Номинальная нагрузка (Режим ЗУ: Выкл.; Статус: АКБ не подключена / Критически низкий заряд АКБ) | Мигает желтым | Не светится | Замкнут |
| Режим заряда (Статус: Этап 1 / Этап 2 / Восстановление) | Светится зеленым | Не светится | Замкнут |
| Статус: Короткое замыкание | Светится красным | Не светится | Разомкнут |
| Перегрев блока, выходное напряжение есть | Светится красным | Светится красным | Замкнут |
| Перегрев блока, выходное напряжение отсутствует | Светится красным | Светится красным | Разомкнут |


ДОСТАВКА
Вы можете выбрать любой наиболее удобный способ из перечисленных ниже:
Доставка до терминала ТК «Деловые линии» осуществляется нами бесплатно.
ОПЛАТА
Мы принимаем оплату:
Цены на поставляемые нами товар всегда ниже, чем у наших конкурентов.
Условия гарантийного обслуживания
Гарантия не распространяется на ущерб, причиненный другому оборудованию, работающему вместе с данным изделием.
Центр измерительной техники «Эталонприбор» располагает своим собственным ремонтным сервисом, где Вы можете получить услуги по: ремонту, наладке, калибровке, гарантийному и послегарантийному обслуживанию измерительного оборудования, как приобретенного у нас, так и у других поставщиков. Сервис работает на основе лицензии, выданной Ростехрегулированием РФ.
