Однофазное реле GN 50 А - это полупроводниковое реле, предназначенное для коммутации электрических цепей.

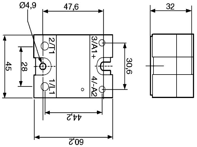
Схема - габаритные размеры реле
| Параметры | Значение | |||||
| Вход | ||||||
| Управляющее напряжение | 90-280 VAC/DC | 4-32 VDC | ||||
| Потребление тока | 8,5мА | 14 мА | ||||
| Время включения (мс) (синхронизация с "0") | 20 | 8,33 (60 Гц) 10 (50 Гц) | ||||
| Время выключения (мс) (без синхронизации с "0") | 0,1 | 0,1 | ||||
| Время включения (мс) | 30 | 8,33 (60 гЦ) 10 (50 Гц) | ||||
| Выход | |
| Ток максимальный | 10 А |
| Ток минимальный | 100 мА |
| Ток утечки | 2,75-4,75 мА |
| Max ток 1 s | 235 А |
| Напряжение нагрузки | 48-660 В |
| I2t A2s | 2535-3042 |
| Рабочая температура | 20° C..+80° C |
| Масса | 114 грамм |
ДОСТАВКА
Вы можете выбрать любой наиболее удобный способ из перечисленных ниже:
Доставка до терминала ТК «Деловые линии» осуществляется нами бесплатно.
ОПЛАТА
Мы принимаем оплату:
Цены на поставляемые нами товар всегда ниже, чем у наших конкурентов.
Условия гарантийного обслуживания
Гарантия не распространяется на ущерб, причиненный другому оборудованию, работающему вместе с данным изделием.
Центр измерительной техники «Эталонприбор» располагает своим собственным ремонтным сервисом, где Вы можете получить услуги по: ремонту, наладке, калибровке, гарантийному и послегарантийному обслуживанию измерительного оборудования, как приобретенного у нас, так и у других поставщиков. Сервис работает на основе лицензии, выданной Ростехрегулированием РФ.
