Реле времени MBA (для приборных щитков) предназначены для монтажа на приборных щитках.

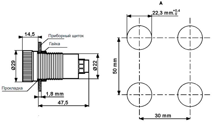
Схема - габаритные размеры реле
| Напряжение питания | 24 VDC ±30% (с пульсациями) |
| Диапазоны времени | 0,1 s-1s; 0,5 s-10 s; 3 s-60 s; 0,5 min-10 min; 3min-60 min |
| Разброс параметров | ±0,2%(при постоянных условях) |
| Ресурс электроэнергии | 10 |
| Выход | Полупроводниковый |
| Степень защиты | IP65 |
| Масса | 27 грамм |
ДОСТАВКА
Вы можете выбрать любой наиболее удобный способ из перечисленных ниже:
Доставка до терминала ТК «Деловые линии» осуществляется нами бесплатно.
ОПЛАТА
Мы принимаем оплату:
Цены на поставляемые нами товар всегда ниже, чем у наших конкурентов.
Условия гарантийного обслуживания
Гарантия не распространяется на ущерб, причиненный другому оборудованию, работающему вместе с данным изделием.
Центр измерительной техники «Эталонприбор» располагает своим собственным ремонтным сервисом, где Вы можете получить услуги по: ремонту, наладке, калибровке, гарантийному и послегарантийному обслуживанию измерительного оборудования, как приобретенного у нас, так и у других поставщиков. Сервис работает на основе лицензии, выданной Ростехрегулированием РФ.
