Розетка Releco S2-S для С2 реле является розеткой под фланец.
Розетка имеет винтовые клеммы на двух уровнях С фиксатором и табличкой.
| Номинальная нагрузка | 10А/300В |
| Диэлектрическая прочность (между винт. клемамми) | 2,5 кВ |
| Диэлектрическая прочность (винт. клемми / DIN рейка) | 2,5 кВ |
| Максимальный механический момент | 1,2 Нм |
| Размеры винтов | M3, Pozi |
Максимальный размер провода:
|
4мм 2 или 2х2,20мм 2 |

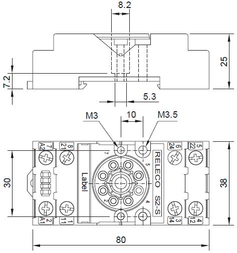
Схема - габаритные размеры розетки

Схема подключения
ДОСТАВКА
Вы можете выбрать любой наиболее удобный способ из перечисленных ниже:
Доставка до терминала ТК «Деловые линии» осуществляется нами бесплатно.
ОПЛАТА
Мы принимаем оплату:
Цены на поставляемые нами товар всегда ниже, чем у наших конкурентов.
Условия гарантийного обслуживания
Гарантия не распространяется на ущерб, причиненный другому оборудованию, работающему вместе с данным изделием.
Центр измерительной техники «Эталонприбор» располагает своим собственным ремонтным сервисом, где Вы можете получить услуги по: ремонту, наладке, калибровке, гарантийному и послегарантийному обслуживанию измерительного оборудования, как приобретенного у нас, так и у других поставщиков. Сервис работает на основе лицензии, выданной Ростехрегулированием РФ.
