Световодные фотоэлементы F71 просты в эксплуатации.
| Параметры | F71R-PNP | F71B-PNP | F71G-PNP | F71W-PNP |
| Источник света | красный LED | голубой LED | зеленый LED | белый LED |
| Диапазон работы | в зависимости от применяемого световода | |||
| Напряжение питания | 12 - 24 В +/- 10 % | |||
| Потребляемый ток | 40 мА (мах) | |||
| Выход | PNP 100 мА | |||
| Режим работы | переключатель „включить на свет” / „включить на темно” | |||
| Временная функция | встроенная | |||
| Время ответа | 250 с (функция TURBO включена) 500 с (функция TURBO выключена) | |||
| Уровень защиты | IP40 | |||
| Температура работы | -25oС ...+55oС | |||

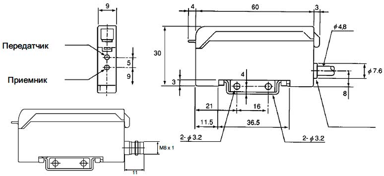
Схема - габаритные размеры фотоэлементов

Схема коммутации
Функция „TURBO”:
Функция защиты от интерференции
ДОСТАВКА
Вы можете выбрать любой наиболее удобный способ из перечисленных ниже:
Доставка до терминала ТК «Деловые линии» осуществляется нами бесплатно.
ОПЛАТА
Мы принимаем оплату:
Цены на поставляемые нами товар всегда ниже, чем у наших конкурентов.
Условия гарантийного обслуживания
Гарантия не распространяется на ущерб, причиненный другому оборудованию, работающему вместе с данным изделием.
Центр измерительной техники «Эталонприбор» располагает своим собственным ремонтным сервисом, где Вы можете получить услуги по: ремонту, наладке, калибровке, гарантийному и послегарантийному обслуживанию измерительного оборудования, как приобретенного у нас, так и у других поставщиков. Сервис работает на основе лицензии, выданной Ростехрегулированием РФ.
