Вилочный датчик GLS20 представляет собой преобразователь, который имеет собственную резонансную частоту.
| Функция | передатчик/приёмник |
| Напряжение питания | 10-30VDC ±10%,защита от неправильной полярности |
| Выход | PNP или NPN |
| Потребляемый ток | 200 мА( защита от короткого замыкания) |
| Изменения режима срабатывания | переключатель свет/темно |
| Источник света | красный LED 644 nm |
| Настройка чувствительности | потенциометр 270° |
| Корпус | алюминий |
| Степень защиты | IP65 |
| Рабочая температура | -10°С до +60°С |
| Расстояние внутри рамки | 20 |
| Разрешение | 0,5 мм |
| Точность | 0,02 мм |
| Гистерезис | 0,1 мм |
| Частота реакции | 1,5 кГц |
| Время реакции | 0,4 мс |

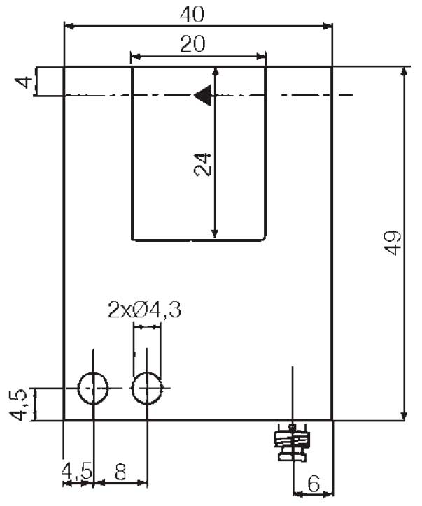
Схема - габаритные размеры датчика

Схема коммутации
ДОСТАВКА
Вы можете выбрать любой наиболее удобный способ из перечисленных ниже:
Доставка до терминала ТК «Деловые линии» осуществляется нами бесплатно.
ОПЛАТА
Мы принимаем оплату:
Цены на поставляемые нами товар всегда ниже, чем у наших конкурентов.
Условия гарантийного обслуживания
Гарантия не распространяется на ущерб, причиненный другому оборудованию, работающему вместе с данным изделием.
Центр измерительной техники «Эталонприбор» располагает своим собственным ремонтным сервисом, где Вы можете получить услуги по: ремонту, наладке, калибровке, гарантийному и послегарантийному обслуживанию измерительного оборудования, как приобретенного у нас, так и у других поставщиков. Сервис работает на основе лицензии, выданной Ростехрегулированием РФ.
