Блок связи К942 предназначен для преобразования сигналов интерфейса RS232 в выделенный двухпроводный последовательный магистральный канал.
| Код | Выделенная двухпроводная линия | Канал RS232 | L x H x B, мм | ||
| Скорость обмена, бит/с | Кол-во абонентов | Длина линии, км | Скорость обмена, бит/с | ||
| К942 | 2400 | до 32 | до 20 | 9600, 19200, 38400 | 107х132,5х215 |

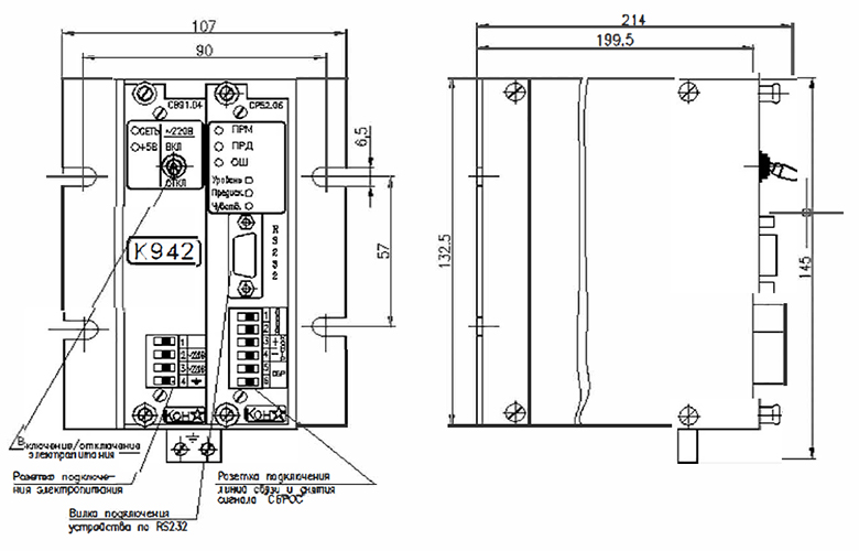
Габаритные и установочные размеры блока К942
ДОСТАВКА
Вы можете выбрать любой наиболее удобный способ из перечисленных ниже:
Доставка до терминала ТК «Деловые линии» осуществляется нами бесплатно.
ОПЛАТА
Мы принимаем оплату:
Цены на поставляемые нами товар всегда ниже, чем у наших конкурентов.
Условия гарантийного обслуживания
Гарантия не распространяется на ущерб, причиненный другому оборудованию, работающему вместе с данным изделием.
Центр измерительной техники «Эталонприбор» располагает своим собственным ремонтным сервисом, где Вы можете получить услуги по: ремонту, наладке, калибровке, гарантийному и послегарантийному обслуживанию измерительного оборудования, как приобретенного у нас, так и у других поставщиков. Сервис работает на основе лицензии, выданной Ростехрегулированием РФ.
