Фильтры напорные 1ФГМ предназначены для очистки от механических примесей минеральных масел и негорючих жидкостей типа промгидрол кинематической вязкостью до 200 мм2/с при температуре от 1 до 80 °С.
Фильтры используются в гидроприводах:
Фильтры изготавливаются:
ФГМ имеют следующие присоединительные резьбы:
Рабочая жидкость через входное отверстие в головке фильтра поступает в полость стакана, проходит через фильтроэлемент, очищается и через выходное отверстие поступает в систему. При перепаде давлений (0,3-0,03) МПа на фильтроэлементе, возникшем в результате его загрязненности, срабатывает индикатор загрязненности, сигнализирующий о необходимости замены фильтроэлемента. Из-за несвоевременной замены фильтроэлемента происходит дальнейшее повышение перепада давлений до (0,5-0,1) МПа, что ведет к открытию предохранительного клапана, и неочищенная рабочая жидкость поступает в систему, минуя фильтроэлемент. При этом фильтр работает в аварийном режиме.
Параметры индикатора загрязненности:
Доступные к заказу фильтры напорные:

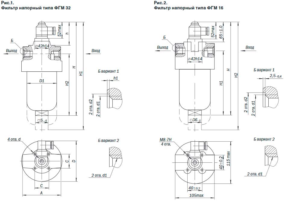
Рисунок - Габаритные размеры фильтров напорных 1ФГМ-32 и 1ФГМ-16
Обозначение фильтра | 1ФГМ32-05М(К) | 1ФГМ32-10М(К) | 1ФГМ32-25М(К) | 1ФГМ32-40М(К) |
* Обозначение фильтроэлемента | 1ФГМ-05 С1ФГМ-05 | 1ФГМ-10 С1ФГМ-10 | 1ФГМ-25 С1ФГМ-25 | 1ФГМ-40 С1ФГМ-40 |
**Номинальное давление, МПа | 32 | 32 | 32 | 32 |
Тонкость фильтрации, мкм | 5 | 10 | 25 | 40 |
**Номинальный расход, л/мин | 15,5 | 40 | 40 | 40 |
Условный проход, мм | 12 | 12 | 12 | 12 |
**Номинальный перепад давлений, МПа, не более | 0,16 | 0,16 | 0,16 | 0,16 |
**Перепад давлений, МПа, при котором срабатывает: –индикатор загрязнённости –предохранительный клапан | 0,3±0,03 0,5±0,1 | 0,3±0,03 0,5±0,1 | 0,3±0,03 0,5±0,1 | 0,3±0,03 0,5±0,1 |
Размеры, мм: D, не более D1, не более H, не более H1, не менее H2, не более h±1 Amax S–1 C±0,2 d–7H d1: вариант 1, метрическая ГОСТ24705-81; вариант 2, коническая ГОСТ6111-52 d2+0,4(для варианта 1) h1–0,4(для варианта 1) |
108 85 250 290 160 65 100 36 40 М8
М22×1,5–7Н К 1/2′′ 28 2,5 |
108 85 250 290 160 65 100 36 40 М8
М22×1,5–7Н К1/2′′ 28 2,5 |
108 85 250 290 160 65 100 36 40 М8
М22×1,5–7Н К1/2′′ 28 2,5 |
108 85 250 290 160 65 100 36 40 М8
М22×1,5–7Н К1/2′′ 28 2,5 |
Масса, кг | 5,6 | 5,6 | 5,6 | 5,6 |
Примечания:
Фильтры ФГМ обозначаются так: Х-ФГМ-Х1-Х2-Х3, где
Условное обозначение фильтров напорных с индикатором загрязнённости строится по следующей структуре: Пример условного обозначение фильтра напорного 1-го габарита на номинальное давление 16 МПа, с номинальной тонкостью фильтрации 25 мкм, с метрической резьбой М, для стран с тропическим климатом:
Фильтр напорный 1ФГМ16 – 25М О4.1 ТУ2.053.022 5228.030-90
Фильтр напорный Х ФГМ Х-ХХХ ТУ2.053.022 5228.030-90
Типоразмер | Номин. давление Мпа | Номин. тонкость фильтр. МКМ | Номин. расход л/мин | Номин. перепад при номинальном расходе Мпа |
1ФГМ32-10к(м) | 32 | 10 | 40 | 0,16 |
1ФГМ32-25к(м) | 32 | 25 | 40 | 0,16 |
1ФГМ16-10к(м) | 16 | 10 | 40 | 0,16 |
1 ФГМ 16-25к(м) | 16 | 25 | 50 | 0,16 |
Типоразмер | Условный проход мм | Допустим. перепад давления на фильтроэлемент Мпа | Габаритные размеры, мм | Масса кг |
1ФГМ32-10к(м) | 12 | 0,5 | 100x108x250 | 5,0 |
1ФГМ32-25к(м) | 12 | 0,5 | 100x108x250 | 5,0 |
1ФГМ16-10к(м) | 12 | 0,5 | 105x115x250 | 2,0 |
1 ФГМ 16-25к(м) | 12 | 0,5 | 105x100x250 | 2,0 |
Фильтр напорный с индикатором загрязненности типа 1ФГМ (ФГМ32) состоит из головки 1 с входным и выходным отверстиями, стакана 2, соединенного герметично при помощи кольца 14. Внутри стакана расположен установленный на седле 3 фильтроэлемент 4. На головке установлен индикатор загрязненности, в корпусе 5 которого имеются средства сигнализации о загрязненности фильтроэлемента и перепуске неочищенной жидкости.
Фильтр работает следующим образом. Рабочая жидкость через входное отверстие в головке 1 фильтра поступает в полость стакана 2, проходит через фильтроэлемент 4, очищается и через отверстие седла 3 и выходное отверстие поступает в систему. При повышении перепада давлений на фильтроэлементе по мере его загрязнения начинает перемещаться плунжер 7, расположенный в поршне 6, сжимая пружину 8 и, выдвигая шток 9, на хвостовике которого установлен постоянный магнит 10. При перепаде давлений (0,3±0,03)МПа в поле действия магнита окажется магнигоуправляемый контакт (геркон) 11, лепестки которого замкнутся, и поступит электрический сигнал о необходимости замены загрязненного фильтроэлемента.

Рисунок - Устройство фильтра напорного 1ФГМ
ДОСТАВКА
Вы можете выбрать любой наиболее удобный способ из перечисленных ниже:
Доставка до терминала ТК «Деловые линии» осуществляется нами бесплатно.
ОПЛАТА
Мы принимаем оплату:
Цены на поставляемые нами товар всегда ниже, чем у наших конкурентов.
Условия гарантийного обслуживания
Гарантия не распространяется на ущерб, причиненный другому оборудованию, работающему вместе с данным изделием.
Центр измерительной техники «Эталонприбор» располагает своим собственным ремонтным сервисом, где Вы можете получить услуги по: ремонту, наладке, калибровке, гарантийному и послегарантийному обслуживанию измерительного оборудования, как приобретенного у нас, так и у других поставщиков. Сервис работает на основе лицензии, выданной Ростехрегулированием РФ.
