Станция смазочная С-ЦСМ 3,2-250/63 (централизованные циркуляционные) - обеспечивают подачу жидкого смазочного материала к трущимся парам узлов и механизмов кузнечно-прессового оборудования, металлорежущих станков и других машин, а также сбор и очистку отработанного смазочного материала. Работают на чистых минеральных маслах вязкостью от 20 до 200 мм2/с при температуре масла от +1 до +50оС; класс чистоты смазочных материалов не ниже 14.
Станции смазочные С-ЦСМ 3,2-250/63 изготавливаются в исполнении для умеренного (УХЛ4) и тропического (О4.1) климата.

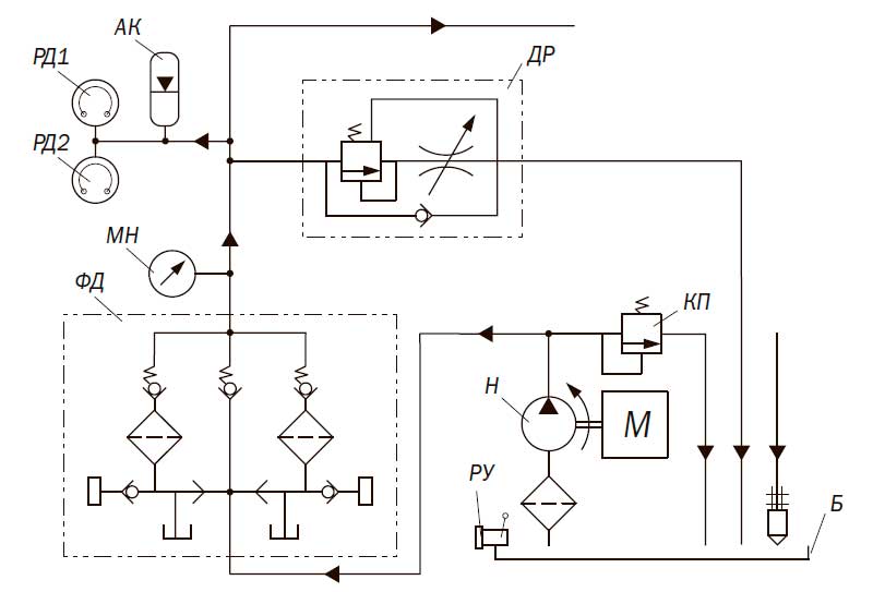
Схема примерная станции С-ЦСМ 3,2-250/63

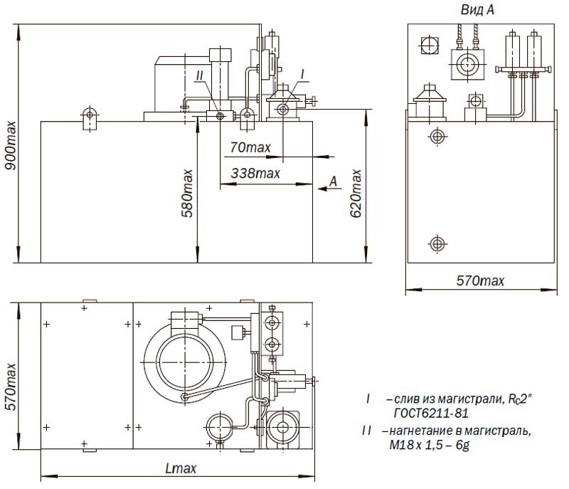
Рисунок - Габаритные размеры станции С-ЦСМ 3,2-250/63 (Lmax = 1000 мм)
| Номинальная подача, л/мин: | 3,2 |
| Диапазон регулирования подачи, л/мин | 0,32 … 3,2 |
| Номинальная вместимость резервуара, дм3, не менее | 250 |
Давление нагнетания, МПа:
| 6,3 7,0 |
| Давление на всасывании, МПа, не менее | 0,02 |
| Коэффициент подачи, %, не менее | 69 |
| Номинальная тонкость фильтрации масла на выходе из станции, мкм | 25 |
| Характеристика электроборудования станций Род тока питающей сети Напряжение питания, В Частота тока, Гц Мощность, КВт Частота вращения, мин-1 | переменный, 380 50 1,5 1500 |
| Масса (без смазочного материала), кг | 217 |
ДОСТАВКА
Вы можете выбрать любой наиболее удобный способ из перечисленных ниже:
Доставка до терминала ТК «Деловые линии» осуществляется нами бесплатно.
ОПЛАТА
Мы принимаем оплату:
Цены на поставляемые нами товар всегда ниже, чем у наших конкурентов.
Условия гарантийного обслуживания
Гарантия не распространяется на ущерб, причиненный другому оборудованию, работающему вместе с данным изделием.
Центр измерительной техники «Эталонприбор» располагает своим собственным ремонтным сервисом, где Вы можете получить услуги по: ремонту, наладке, калибровке, гарантийному и послегарантийному обслуживанию измерительного оборудования, как приобретенного у нас, так и у других поставщиков. Сервис работает на основе лицензии, выданной Ростехрегулированием РФ.
