Аппарат защиты АЗУР-4ПП предназначен для защиты людей от поражения электрическим током и других опасных последствий утечек тока на землю в электрических сетях трехфазного переменного тока частотой 50 Гц напряжением 660 и 1140 В с изолированной нейтралью трансформатора и в системах электробезопасности сетей с вынесенным частотно-регулируемым приводом подачи угольных комбайнов.
| Характеристики | Значение |
| номинальное напряжение защищаемой трехфазной сетипеременного тока частотой 50 Гц | 660/1140 В |
| потребляемая мощность | не более 6 В·А |
| изменение емкости сети | от 0 до 1,0 мкФ |
| Сопротивление срабатывания при симметричной трехфазной утечке: | |
| при напряжении сети 660В | 30 кОм на фазу |
| при напряжении сети 1140В | 60 кОм на фазу |
| Сопротивление срабатывания при однофазной утечке: | |
| при напряжении сети 660В | 20 кОм |
| при напряжении сети 1140В | 50 кОм |
| Величина длительного тока утечки при изменении емкости сети от 0 до 1 мкФ на фазу | не более 0,025 А |
| устройство компенсации емкостной составляющей тока утечки и шунтирования поврежденной фазы малым сопротивлением на землю в диапазоне изменения емкости сети от 0,1 до 1 мкФ должно снижать кратковременный ток до величины | не более 0,1 А |
| сопротивление срабатывания в режиме предупредительного контроля изоляции | не менее сопротивления срабатывания аппарата в режиме реле утечки |
| сопротивление автоматической деблокировки в режиме предупредительного контроля и блокировки, от сопротивления срабатывания | не более 150% |
| собственное время срабатывания аппарата защиты от токов утечки при сопротивлении однофазной утечки 1,0 кОм и емкости сети от 0 до 1,0 мкФ на фазу: | |
| основной защиты | 0,07 с |
| резервной защиты | 0,2 с |
| собственное время срабатывания аппарата защиты от токов утечки при снижении напряжения на зажимах до 0,6 номинального напряжения сети, обусловленного возникновением междуфазных дуговых замыканий с касанием дугой стенок оболочек электрооборудования | не более 0,1 с |
| время шунтирования поврежденной фазы на землю с момента появления однофазной утечки и емкости сети от 0 до 1,0 мкФ на фазу | не более 0,17 с |
| Срок службы | 5 лет |
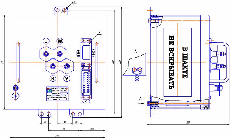
| Габаритные размеры | 274х320х235 мм |
| Масса | 17 кг |
Аппарат защиты встраивается в распределительные устройства низшего напряжения передвижных трансформаторных подстанций, применяемых в подземных выработках и на поверхности угольных и горнорудных предприятий.
Аппарат АЗУР-4ПП конструктивно выполнен в виде блока, устанавливаемого в распределительные устройства низшего напряжения трансформаторных передвижных подстанций. Аппарат защиты воздействует на расцепитель нулевого напряжения и независимый расцепитель автоматического выключателя передвижной трансформаторной подстанции.
При несрабатывании автоматического выключателя, аппарат защиты выдает сигнал на отключение высоковольтной ячейки, питающей данную подстанцию. Аппарат защиты состоит из выемной части, закрытом метеллическом корпусе.
На лицевой панели аппарата защиты установлены штепсельный разъем, токоведущие и заземляющий зажимы для подключения аппарата к трансформаторной подстанции.
На корпусе аппарата имеются кронштейны для крепления аппарата в камере подстанции.
Аппараты АЗУР-4 конструктивно выполняются в виде блоков, устанавливаемых в распределительные устройства низшего напряжения трансформаторных передвижных подстанций, и воздействуют на расцепитель нулевого напряжения и независимый расцепитель автоматического выключателя подстанций.
При несрабатывании автоматического выключателя, аппарат защиты выдает сигнал на отключение высоковольтной ячейки, питающей данную подстанцию.

Схема - габаритные размеры аппарата
ДОСТАВКА
Вы можете выбрать любой наиболее удобный способ из перечисленных ниже:
Доставка до терминала ТК «Деловые линии» осуществляется нами бесплатно.
ОПЛАТА
Мы принимаем оплату:
Цены на поставляемые нами товар всегда ниже, чем у наших конкурентов.
Условия гарантийного обслуживания
Гарантия не распространяется на ущерб, причиненный другому оборудованию, работающему вместе с данным изделием.
Центр измерительной техники «Эталонприбор» располагает своим собственным ремонтным сервисом, где Вы можете получить услуги по: ремонту, наладке, калибровке, гарантийному и послегарантийному обслуживанию измерительного оборудования, как приобретенного у нас, так и у других поставщиков. Сервис работает на основе лицензии, выданной Ростехрегулированием РФ.
