Асинхронный электродвигатель KG 1608 D6 предназначен для электрических талей, кранов, подъёмных механизмов и оборудования.
Номинальная мощность, кВт | 1,5 |
Скорость вращения, мин-1 | 920 |
Напряжение, В | 380 |
Ток, А | 4,2 |
Пусковые характеристики | |
Пусковой ток, А | 5,0 |
Пусковой момент, Нм | 18 |
Крутящий момент, Нм | 21 |
Масса, кг | 38,5 |

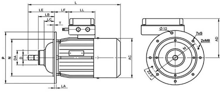
Схема - конструкция электродвигателя
AC, мм | 192 |
AD, мм | 9 |
DA, мм | 75 |
E, мм | 27 |
L, мм | 449 |
LA, мм | 12 |
LB, мм | 73 |
LC, мм | 44,4 |
LE, мм | 125 |
LF, мм | 66 |
LL, мм | 136 |
M, мм | 226 |
N, мм | 185 |
O, мм | М25 |
P, мм | 250 |
S, мм | 9 |
T, мм | 4 |
ДОСТАВКА
Вы можете выбрать любой наиболее удобный способ из перечисленных ниже:
Доставка до терминала ТК «Деловые линии» осуществляется нами бесплатно.
ОПЛАТА
Мы принимаем оплату:
Цены на поставляемые нами товар всегда ниже, чем у наших конкурентов.
Условия гарантийного обслуживания
Гарантия не распространяется на ущерб, причиненный другому оборудованию, работающему вместе с данным изделием.
Центр измерительной техники «Эталонприбор» располагает своим собственным ремонтным сервисом, где Вы можете получить услуги по: ремонту, наладке, калибровке, гарантийному и послегарантийному обслуживанию измерительного оборудования, как приобретенного у нас, так и у других поставщиков. Сервис работает на основе лицензии, выданной Ростехрегулированием РФ.
