Асинхронный электродвигатель KK 1407-12/6AH двухскоростной c встроенным тормозом предназначен для механизма передвижения канатных электро тельферов грузоподъёмностью 2-3,2 т.
Номинальная мощность, кВт | 0,11 |
Скорость вращения, мин-1 | 400 |
Ток, А | 1,7 |
Пусковые характеристики | |
Пусковой ток, А | 2,20 |
Пусковой момент, Нм | 6,5 |
Крутящий момент, Нм | 2,4 |
Масса, кг | 18,2 |
Особенности конструкции электродвигателя:

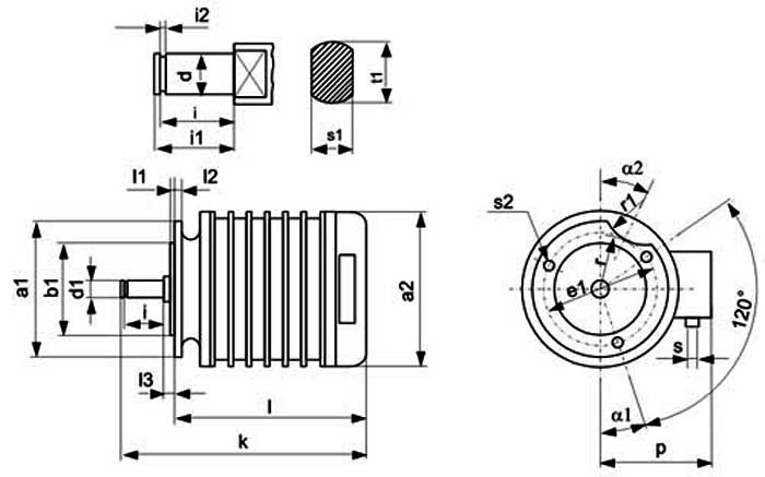
Схема - подключения и конструкция электродвигателя
a1, мм | 165 |
a2, мм | 170 |
b1, мм | 100 |
d, мм | 12 |
d1, мм | 11,4 |
s1, мм | 13 |
t1, мм | 17 |
i, мм | 17,3 |
i1, мм | 19 |
i2, мм | 1,3 |
l1, мм | 5 |
l2, мм | 8 |
l3, мм | 16,5 |
k, мм | 260 |
l, мм | 215 |
p, мм | 112 |
s, мм | 11 |
s2, мм | 9 |
e1, мм | 150 |
r, мм | 34 |
r1, мм | 67 |
a1, мм | 10 |
a2, мм | 23 |
ДОСТАВКА
Вы можете выбрать любой наиболее удобный способ из перечисленных ниже:
Доставка до терминала ТК «Деловые линии» осуществляется нами бесплатно.
ОПЛАТА
Мы принимаем оплату:
Цены на поставляемые нами товар всегда ниже, чем у наших конкурентов.
Условия гарантийного обслуживания
Гарантия не распространяется на ущерб, причиненный другому оборудованию, работающему вместе с данным изделием.
Центр измерительной техники «Эталонприбор» располагает своим собственным ремонтным сервисом, где Вы можете получить услуги по: ремонту, наладке, калибровке, гарантийному и послегарантийному обслуживанию измерительного оборудования, как приобретенного у нас, так и у других поставщиков. Сервис работает на основе лицензии, выданной Ростехрегулированием РФ.
