Датчик-реле температуры ДТ, ДР, ДРТ, ДРТ-Ж применяются для:
Тип | Диапазон | Напряжение | Макс. напряжение коммутации, В | Макс. ток | Присоединение |
Контролируемая среда – жидкости, газообразные среды* | |||||
ДТ-1М-Х | -40…+120 | 10…35 (АC) | 35 (АC1) | 1,0 | Гайка М18 |
ДТ-1М-ХТ | 0…+120 | 48…83,2 (DC) | 83,2 (DC1) | 0,5 | Гайка М18 |
ДТ-1М-ХН | -40…+120 | 10…35 (АC) | 35 (АC1) | 1,0 | Штуцер М27 |
ДР211 | -50…+125 | 8…30 (АC) | 400 (АC1) | 10,0 | Гайка М18 |
ДР212 | -50…+125 | 8…30 (АC) | 400 (АC1) | 10,0 | доп.штуцер М24 с сальником |
ДР213 | -50…+125 | 8…30 (АC) | 400 (АC1) | 10,0 | доп.штуцер М24 с сальником |
ДР221 | -50…+125 | 30…270 (АC) | 400 (АC1) | 10,0 | Гайка М18 |
ДР222 | -50…+125 | 30…270 (АC) | 400 (АC1) | 10,0 | доп.штуцер М24 с сальником |
ДР223 | -50…+125 | 30…270 (АC) | 400 (АC1) | 10,0 | доп.штуцер М24 с сальником |
ДРТ-ЖД | -40…+120 | 30…270 (АC) | 270 (АC1) | 1,0 | Гайка М18, штуцер М24, М27 |
ДРТ-Ж | -40…+120 | 30…270 (АC) | 400 (АC1) | 10,0 | Гайка М18, штуцер М24, М27 |
ДРТ-ЖН | -40…+120 | 30…270 (АC) | 400 (АC1) | 10,0 | Гайка М18, штуцер М24, М27 |
ДРТ-ЖК | -40…+120 | 30…270 (АC) | 400 (АC1) | 10,0 | Гайка М18, штуцер М24, М27 |
Д110 | -40…+120 | 30…270 (АC) | 400 (АC1) | 6,0 | Гайка М18 |
Д111 | -40…+120 | 30…270 (АC) | 400 (АC1) | 6,0 | Гайка М18 |
РТ-Ж | -40…+120 | 18…31,2 (DC) | 31,2 (DC1) | 0,5 | Гайка М18 |
РТ-ЖТ | -40…+120 | 18…31,2 (DC) | 400 (АC1) | 10,0 | Штуцер М27 |
Контролируемая среда – воздух и твердые предметы | |||||
РТ-В | -40…+70 | 18…31,2 (DC) | 31,2 (DC1) | 0,5 | Клеммы |
РТ-В2 | -40…+70 | 10…35 (АC) | 35 (АC1) | 1,0 | Разъем |
РТ-ВТ | -40…+70 | 18…31,2 (DC) | 400 (АC1) | 16,0 | Клеммы |
РТ-В3 | -40…+120 | 18…31,2 (DC) | 31,2 (DC1) | 0,5 | Клеммы |
ДРТ-В | -40…+70 | 30…270 (АC) | 400 (АC1) | 16,0 | Клеммы |
* - погружаемая часть датчиков изготовлена из латуни, а у ДРТ-ЖН – из нержавеющей стали. Контролируемая среда должна быть неагрессивная к латуни и для ДРТ-ЖН к нержавеющей стали. По дополнительному требованию датчик может быть изготовлен из другого материала.

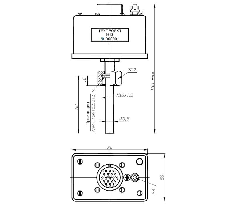
Схема №1 - габариты датчика-реле температуры ДРТ-Жх-хх-м18

Схема №2 - габариты датчика-реле температуры ДРТ-Жх-хх-м27
Релейные датчики температуры применяется в качестве регулирующего, сигнализирующего или защитного устройства.
Температура срабатывания и зона возврата (величина гистерезиса) указывается при заказе. В местах эксплуатации температуру срабатывания можно изменить и проконтролировать с помощью программатора ПДТ-1М ААРЛ.444321.001. При заказе можно задать инверсную работу датчика – для применения его в качестве аварийного с контролем работоспособности.
Датчики имеют перекидной контакт. При повышении температуры до температуры срабатывания замыкается нормально-разомкнутый контакт (НРК) и размыкается нормально-замкнутый контакт (НЗК). НРК остается замкнутым, а НЗК – разомкнутым пока температура не понизится до температуры отпускания (ниже температуры срабатывания на величину гистерезиса). При снижении температуры до температуры отпускания (ниже температуры срабатывания на величину гистерезиса) размыкается НРК и замыкается НЗК. НРК остается разомкнутым, а НЗК – замкнутым пока температура не повысится дотемпературы срабатывания и т.д.
В ДТ-1М-Х, ДТ-1М-ХТ, ДТ-1М-ХН, ДРТ-ЖД и РТ-В2 в качестве выходного реле используется твердотельное реле. При отсутствии напряжения питания все контакты выходного реле имеют большое сопротивление (разомкнуты) вне зависимости от температуры.
ДОСТАВКА
Вы можете выбрать любой наиболее удобный способ из перечисленных ниже:
Доставка до терминала ТК «Деловые линии» осуществляется нами бесплатно.
ОПЛАТА
Мы принимаем оплату:
Цены на поставляемые нами товар всегда ниже, чем у наших конкурентов.
Условия гарантийного обслуживания
Гарантия не распространяется на ущерб, причиненный другому оборудованию, работающему вместе с данным изделием.
Центр измерительной техники «Эталонприбор» располагает своим собственным ремонтным сервисом, где Вы можете получить услуги по: ремонту, наладке, калибровке, гарантийному и послегарантийному обслуживанию измерительного оборудования, как приобретенного у нас, так и у других поставщиков. Сервис работает на основе лицензии, выданной Ростехрегулированием РФ.
