Электродвигатель ДСМ2-П-220 (с редуктором) применяется для использования в качестве комплектующих элементов в приборах и средствах промышленной автоматики, противопожарной и вентиляционной техники.
Электродвигатель ДСМ 2-П синхронный многополюсный с редуктором, благодаря которому скорость вращения очень низкая.

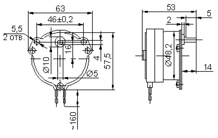
Рисунок - Габаритные размеры электродвигателя ДСМ2-П
| Напряжение питания | 220 В |
| Частота | 50, 60 Гц |
| Номинальная частота вращения | 2 об/мин |
| Номинальный вращающий момент | 0,1 Н*м |
| Максимальный вращающий момент | 0,15 Н*м |
| Направление вращения | правое |
| Потребляемая мощность | до 5 Вт |
| Масса | 0,21 кг |
ДОСТАВКА
Вы можете выбрать любой наиболее удобный способ из перечисленных ниже:
Доставка до терминала ТК «Деловые линии» осуществляется нами бесплатно.
ОПЛАТА
Мы принимаем оплату:
Цены на поставляемые нами товар всегда ниже, чем у наших конкурентов.
Условия гарантийного обслуживания
Гарантия не распространяется на ущерб, причиненный другому оборудованию, работающему вместе с данным изделием.
Центр измерительной техники «Эталонприбор» располагает своим собственным ремонтным сервисом, где Вы можете получить услуги по: ремонту, наладке, калибровке, гарантийному и послегарантийному обслуживанию измерительного оборудования, как приобретенного у нас, так и у других поставщиков. Сервис работает на основе лицензии, выданной Ростехрегулированием РФ.
