Электродвигатель постоянного тока MP-112LA предназначен для привода главного движения в металлорежущих станках и других производственных механизмах.
Номинальная мощность, кВт | 10 |
Номинальный момент, Нм | 38,3 |
Номинальная скорость, об/мин | 1500 |
Максимальная скорость, об/мин | 5500 |
Напряжение якоря, В | 400 |
Ток якоря, А | 29 |
Напряжение возбуждения, В | 180 |
Ток возбуждения, А | 5 |
Момент инерции, кг м2 | 0,090 |
Масса нетто, кг | 119 |
Масса брутто, кг | 144 |

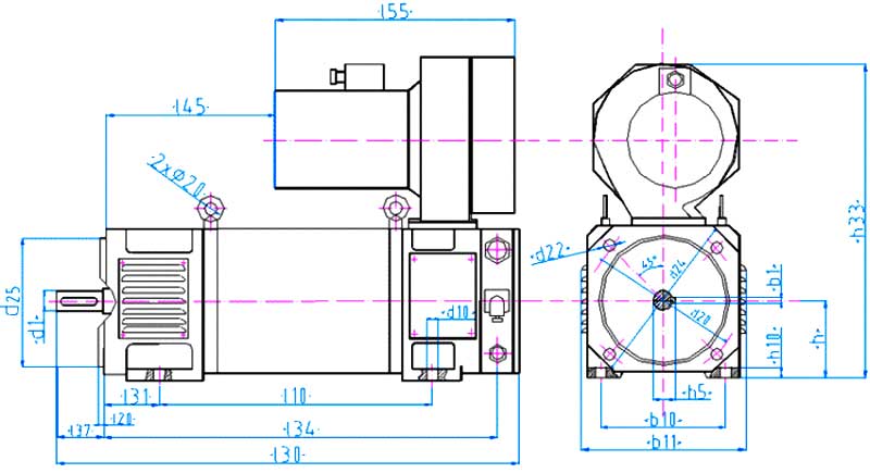
Схема - конструкция электродвигателя
h, мм | 112 |
h5, мм | 35 |
h10, мм | 11 |
h33, мм | 472 |
L10, мм | 355 |
L20, мм | 4 |
L30, мм | 650 |
L31, мм | 70 |
L34, мм | 540 |
L37, мм | 80 |
L45, мм | 208 |
L55, мм | 350 |
d1, мм | 32k6 |
d10, мм | 12 |
d20, мм | 215 |
d22, мм | 15 |
d24, мм | 250 |
d25, мм | 180j6 |
b1, мм | 10P9/h9 |
b10, мм | 190 |
b11, мм | 234 |
Электродвигатели выпускаются в разных модификациях по заказу:
ДОСТАВКА
Вы можете выбрать любой наиболее удобный способ из перечисленных ниже:
Доставка до терминала ТК «Деловые линии» осуществляется нами бесплатно.
ОПЛАТА
Мы принимаем оплату:
Цены на поставляемые нами товар всегда ниже, чем у наших конкурентов.
Условия гарантийного обслуживания
Гарантия не распространяется на ущерб, причиненный другому оборудованию, работающему вместе с данным изделием.
Центр измерительной техники «Эталонприбор» располагает своим собственным ремонтным сервисом, где Вы можете получить услуги по: ремонту, наладке, калибровке, гарантийному и послегарантийному обслуживанию измерительного оборудования, как приобретенного у нас, так и у других поставщиков. Сервис работает на основе лицензии, выданной Ростехрегулированием РФ.
