Электродвигатель РД-09-П2А предназначен для работы в качестве исполнительных двигателей в следящих системах автоматических приборов, игровых автоматов, электрогрилей, дозаторов подачи жидкостей, сыпучих материалов.
| Параметры | Значения |
| Номинальное напряжение питания, В | 127, 220 |
| Частота питающего напряжения, Гц | 50 |
| Номинальная полезная мощность на валу ротора, Вт | 1 |
| Частота вращения выходного вала редуктора, об/мин | 1,75; 2,5; 4,4; 8,7; 15,5; 30; 76; 185 |
| Пусковой момент на выходном валу редуктора (в зависимости от редукции), Н*м | 0,063; 0,156; 0,392; 0,754; 1,27 |
| Ток, потребляемый обмоткой управления на холостом ходу, А, не более | 0,06; 0,35; 0,7 |
| Напряжение трогания на обмотке управления, В, не более | 10; 1,5; 0,8 |
| Режим работы | продолжительный |
| Климатическое исполнение | УХЛ категории 4 по ГОСТ 15150-69 |
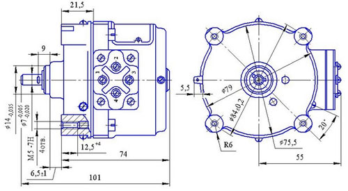
| Габаритные размеры, мм | 96x103x101 |

Рис.1. Габаритные размеры электродвигателя РД-09
ДОСТАВКА
Вы можете выбрать любой наиболее удобный способ из перечисленных ниже:
Доставка до терминала ТК «Деловые линии» осуществляется нами бесплатно.
ОПЛАТА
Мы принимаем оплату:
Цены на поставляемые нами товар всегда ниже, чем у наших конкурентов.
Условия гарантийного обслуживания
Гарантия не распространяется на ущерб, причиненный другому оборудованию, работающему вместе с данным изделием.
Центр измерительной техники «Эталонприбор» располагает своим собственным ремонтным сервисом, где Вы можете получить услуги по: ремонту, наладке, калибровке, гарантийному и послегарантийному обслуживанию измерительного оборудования, как приобретенного у нас, так и у других поставщиков. Сервис работает на основе лицензии, выданной Ростехрегулированием РФ.
