Электромагнит ЭМТ 15-2-2 постоянного тока предназначен для установки на пружинных колодочных тормозах серии ТК.
Электромагнит может быть использован взамен электромагнитов типов МО-100Б, МО-200Б, МО-300Б, устанавливаемые на тормоза ТКТ-100, ТКТ-200, ТКТ-300, соответственно, а, также, для привода различных исполнительных механизмов.
Электромагнит разработан на базе магнита постоянного тока, позволяющей получить такие же технические, тяговые характеристики и присоединительные размеры, как и электромагнит старого образца МО.
ПВ | 100% | 40% | 25% |
Номинальное тяговое усилие, Н | 320 | 780 | 950 |
Номинальный ход якоря, мм | 4 | 4 | 4 |
Время срабатывания, с | 0,35 | 0,25 | 0,2 |
Потребляемая мощность, Вт | 80 | 200 | 280 |
Масса электромагнита, кг | 11,6 | ||
Номинальное напряжение питающей сети (постоянного тока), В | 110, 220, 440 | ||
Номинальное напряжение питающей сети (переменного тока), В | 220, 380 | ||

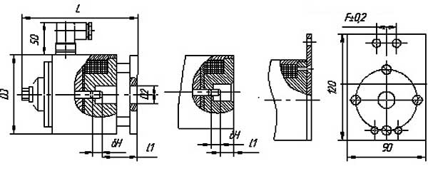
Схема - габаритные, установочные, присоединительные размеры электромагнита
l1, мм | 44 |
l2, мм | - |
L, мм | 184 |
δн, мм | 4,2 |
D1, мм | - |
D2, мм | 18 |
D3, мм | 126 |
D4, мм | - |
D5, мм | 13 |
C, мм | - |
B, мм | - |
F, мм | 38 |
E, мм | 140 |
l3, мм | 12 |
ДОСТАВКА
Вы можете выбрать любой наиболее удобный способ из перечисленных ниже:
Доставка до терминала ТК «Деловые линии» осуществляется нами бесплатно.
ОПЛАТА
Мы принимаем оплату:
Цены на поставляемые нами товар всегда ниже, чем у наших конкурентов.
Условия гарантийного обслуживания
Гарантия не распространяется на ущерб, причиненный другому оборудованию, работающему вместе с данным изделием.
Центр измерительной техники «Эталонприбор» располагает своим собственным ремонтным сервисом, где Вы можете получить услуги по: ремонту, наладке, калибровке, гарантийному и послегарантийному обслуживанию измерительного оборудования, как приобретенного у нас, так и у других поставщиков. Сервис работает на основе лицензии, выданной Ростехрегулированием РФ.
