Электромагнит ЭМТ 23-1 (постоянного тока, тормозной, длинноходовый) предназначен для применения в качестве исполнительного органа в подъемно-транспортных машинах и механизмах.
| Номинальный ход якоря, мм | 50 |
| Номинальное тяговое усилие, Н (кг) | 245 (25) |
| Номинальная потребляемая мощность, Вт | 70 |
| Число циклов в час | 600 |
| Потребляемая мощность при форсировке, Вт | 1500 |
| Масса якоря электромагнита, кг | 2,5 |
| Масса электромагнита, кг | 28 |
Электромагнит ЭМТ 23 может быть использован взамен электромагнитов переменного тока серии КМТ, КЭП, УТЭМ, имея с ними одинаковые присоединительные и установочные размеры.
Режим работы – продолжительный. Блок электронного управления электромагнита после втягивания якоря переключает его в режим удержания, что значительно снижает энергопотребление.

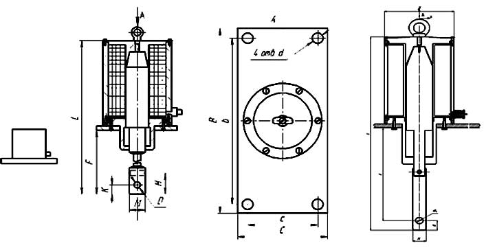
Схема - габаритные, установочные, присоединительные размеры электромагнита
L, мм | 400 |
F, мм | 196 |
H, мм | 35 |
K, мм | 15 |
D, мм | 120 |
M, мм | 30 |
B, мм | 376 |
C, мм | 140 |
b, мм | 346 |
c, мм | 100 |
d, мм | 14 |
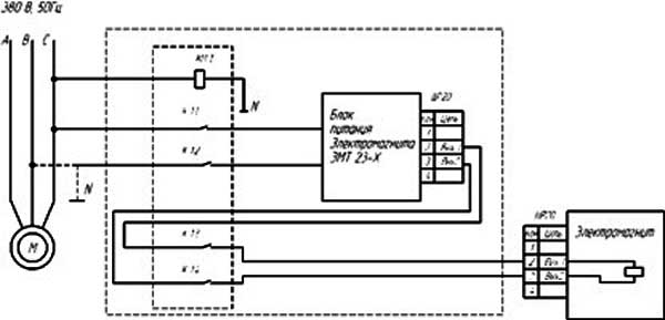
Блок питания устанавливается в шкафу управления или вне шкафа, но в индивидуальном защитном кожухе, исключающим попадание воды, масла, эмульсии и т.п.
Рабочее положение блока — любое, удобное для монтажа.
Для обеспечения максимального быстродействия отхода якоря и защиты блока управления от коммутационных помех рекомендуется подключение электромагнита по нижеприведенной схеме
Блок управления к электромагниту соединительным двухпроводным кабелем по схеме 2→2, 3→3 разъема ШР20П4НШ. Сечение жил кабеля не менее 1,5 мм2.

Схема подключения электромагнита
ДОСТАВКА
Вы можете выбрать любой наиболее удобный способ из перечисленных ниже:
Доставка до терминала ТК «Деловые линии» осуществляется нами бесплатно.
ОПЛАТА
Мы принимаем оплату:
Цены на поставляемые нами товар всегда ниже, чем у наших конкурентов.
Условия гарантийного обслуживания
Гарантия не распространяется на ущерб, причиненный другому оборудованию, работающему вместе с данным изделием.
Центр измерительной техники «Эталонприбор» располагает своим собственным ремонтным сервисом, где Вы можете получить услуги по: ремонту, наладке, калибровке, гарантийному и послегарантийному обслуживанию измерительного оборудования, как приобретенного у нас, так и у других поставщиков. Сервис работает на основе лицензии, выданной Ростехрегулированием РФ.
