Электромагнит ЭМВ 11-31 (тянущий) предназначен для работы в составе вентилей и клапанов для тепловых сетей и котельных на газовых клапанах типа КГ с условным проходом 10,20,40,50 мм. Является аналогом электромагнита ЭМ-33-4.
Напряжение питающей сети: 110 и 220 В постоянного тока. 220…240 В переменного тока частоты 50 Гц По согласованию с заказчиком напряжение питающей сети может быть изменено.
| Наименование параметра | Значение |
| Номинальное тяговое усилие, Н (кгс) | 16(1,63) |
| Номинальный ход, мм | 15,0 |
| Время срабатывания, с | 0,25 |
| Номинальная потребляемая мощность, Вт | 32 |
| Номинальная частота включений, вкл/ч | 10000 |
| Масса, кг | 1,5 |

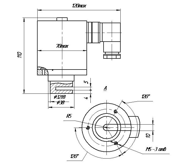
Схема - габаритные, установочные, присоединительные размеры электромагнита
ДОСТАВКА
Вы можете выбрать любой наиболее удобный способ из перечисленных ниже:
Доставка до терминала ТК «Деловые линии» осуществляется нами бесплатно.
ОПЛАТА
Мы принимаем оплату:
Цены на поставляемые нами товар всегда ниже, чем у наших конкурентов.
Условия гарантийного обслуживания
Гарантия не распространяется на ущерб, причиненный другому оборудованию, работающему вместе с данным изделием.
Центр измерительной техники «Эталонприбор» располагает своим собственным ремонтным сервисом, где Вы можете получить услуги по: ремонту, наладке, калибровке, гарантийному и послегарантийному обслуживанию измерительного оборудования, как приобретенного у нас, так и у других поставщиков. Сервис работает на основе лицензии, выданной Ростехрегулированием РФ.
