Электромагнит ЭУ 4 предназначен для применения в качестве комплектующего изделия для дистанционного управления гидравлическими, пневматическими и другими механизмами.
Ход якоря | 10 мм |
Тяговое усилие (ПВ=40%; ПВ=100%) | 10 Н |
Тяговое усилие (ПВ=15%) | 16 Н |
Потребляемая мощность (ПВ=40%; ПВ=100%) | 27 Вт |
Потребляемая мощность (ПВ=15%) | 60 Вт |
Время срабатывания | 0,24 сек |
Масса якоря | 0,102 кг |
Масса электромагнита | 0,970 кг |
Электромагнит ЭУ рассчитан для включения в сеть постоянного или переменного тока посредством двухполупериодной схемы выпрямления на напряжение 12, 24, 48, 110, 127, 220 В.
По способу воздействия на исполнительный механизм электромагниты ЭУ изготавливаются тянущего и толкающего исполнения.
Электромагниты ЭУ заменяют электромагниты МТ, ЭМ34 и по своим характеристикам и присоединительным размерам полностью им соответствуют.

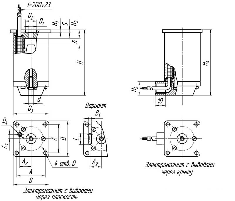
Схема - габаритные, присоединительные и установочные размеры
Ход якоря | 10 |
A, мм | 46 |
A1, мм | 7 |
A2, мм | 19 |
B, мм | 58 |
B1, мм | 8 |
D, мм | 5,8 |
D1, мм | 6,5 |
D2, мм | 16 |
D3, мм | 56 |
D4, мм | 8 |
H, мм | 81 |
H1, мм | 3 |
H2, мм | 13,5 |
H3, мм | 20 |
H4, мм | 81 |
L, мм | 24 |
S, мм | 4 |
d, мм | М8 |
ДОСТАВКА
Вы можете выбрать любой наиболее удобный способ из перечисленных ниже:
Доставка до терминала ТК «Деловые линии» осуществляется нами бесплатно.
ОПЛАТА
Мы принимаем оплату:
Цены на поставляемые нами товар всегда ниже, чем у наших конкурентов.
Условия гарантийного обслуживания
Гарантия не распространяется на ущерб, причиненный другому оборудованию, работающему вместе с данным изделием.
Центр измерительной техники «Эталонприбор» располагает своим собственным ремонтным сервисом, где Вы можете получить услуги по: ремонту, наладке, калибровке, гарантийному и послегарантийному обслуживанию измерительного оборудования, как приобретенного у нас, так и у других поставщиков. Сервис работает на основе лицензии, выданной Ростехрегулированием РФ.
