Индикатор мощности ИЦ409И предназначен для измерения активной и реактивной мощности в одно или трехфазных сетях переменного тока.
Выдача сигналов управления в зависимости от величины и направления потока мощности.
В режиме измерения тока и напряжения:

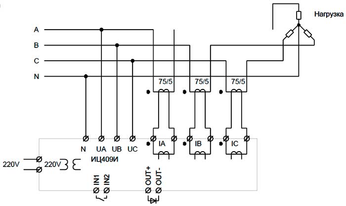
Схема - пример подключения индикатора ИЦ409И с трансформаторами тока 75А/5А по схеме с заземленной нейтралью
Номинальное напряжение, подаваемое на измерительный вход, В | 100, 127, 220, 380 |
Номинальный ток, подаваемый на измерительный вход, А | 1, 3, 5 |
Диапазон программируемых значений входного тока трансформаторов тока, А | 1-9999 |
Основная приведенная погрешность при измерении мощности, % | 2 |
Основная приведенная погрешность при измерении тока, напряжения, % | 1 |
Диапазон напряжений питания, В переменного тока частотой 50-60 Гц постоянного тока | 85…265 |
Потребляемая мощность, Вт | 2 |
Габаритные размеры, мм | 72х72х97 |
Размер установочного отверстия, мм | 68х68 |
Масса индикатора ИЦ409, гр | 250 |
Диапазон рабочих температур, С | -40 - +55 |
Высота цифр, мм | 10 |
Степень защиты индикатора / клеммника | IP40 / IP20 |
ДОСТАВКА
Вы можете выбрать любой наиболее удобный способ из перечисленных ниже:
Доставка до терминала ТК «Деловые линии» осуществляется нами бесплатно.
ОПЛАТА
Мы принимаем оплату:
Цены на поставляемые нами товар всегда ниже, чем у наших конкурентов.
Условия гарантийного обслуживания
Гарантия не распространяется на ущерб, причиненный другому оборудованию, работающему вместе с данным изделием.
Центр измерительной техники «Эталонприбор» располагает своим собственным ремонтным сервисом, где Вы можете получить услуги по: ремонту, наладке, калибровке, гарантийному и послегарантийному обслуживанию измерительного оборудования, как приобретенного у нас, так и у других поставщиков. Сервис работает на основе лицензии, выданной Ростехрегулированием РФ.
