Переход (гнездо-гнездо) СР-50-75 ФВ предназначен для работы в электрических цепях радиочастотных трактов в диапазоне частот: до 10000 МГц.
Переход СР-50-75 ФВ соответствует ФВ ВР0.364.008 ТУ.

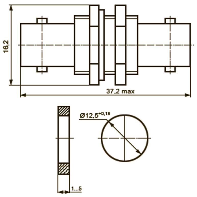
Схема - габаритные и присоединительные размеры перехода
| Рабочее напряжение (амплитудное значение), В | 500 |
| Минимальная наработка при 500 сочленениях-расчленениях, ч | 6000 |
| Срок сохраняемости перехода СР-50-75ФВ, лет | 20 |
| Усилие расчленения гнезда со штырем, Н (кгс) | 2,94-39,2 (0,3-4,0) |
| Содержание драгоценного металла в единице изделия, г | 0,0279 |
| Марка драгоценного металла | Ср 999,9 |
| Климатическое исполнение | В |
ДОСТАВКА
Вы можете выбрать любой наиболее удобный способ из перечисленных ниже:
Доставка до терминала ТК «Деловые линии» осуществляется нами бесплатно.
ОПЛАТА
Мы принимаем оплату:
Цены на поставляемые нами товар всегда ниже, чем у наших конкурентов.
Условия гарантийного обслуживания
Гарантия не распространяется на ущерб, причиненный другому оборудованию, работающему вместе с данным изделием.
Центр измерительной техники «Эталонприбор» располагает своим собственным ремонтным сервисом, где Вы можете получить услуги по: ремонту, наладке, калибровке, гарантийному и послегарантийному обслуживанию измерительного оборудования, как приобретенного у нас, так и у других поставщиков. Сервис работает на основе лицензии, выданной Ростехрегулированием РФ.
