Реле электромагнитное РЭ-1-24 предназначено для применения в электрических схемах промышленной автоматики в цепях управления электроприводами переменного тока напряжени-ем до 380В, частотой 50Гц, 440В частоты 60Гц, постоянного тока напряжением до 220В и устройств релейной защиты.
Структура условного обозначения реле РЭ-1-24-20 04:
Потребляемая мощность, не более: реле постоянного тока, Вт реле переменного тока, В·А | 4 7 |
Номинальный ток контактов, А | 6 |
Номинальное напряжение катушки, В: постоянного напряжения переменного напряжения частоты (50±1)Гц частоты (60±1)Гц | 12, 15, 24, 27, 48, 60, 110, 220 12, 24, 40, 110, 127, 220, 380 12, 24, 40, 110, 220, 230, 240, 380, 440 |
Номинальное напряжение контактов, В: постоянного напряжения переменного напряжения | 12...220 12...440 |
Наименьший номинальный ток контактов, А, при напряжении 12В | 0.01 |
Допустимый предел изменения напряжения питания Uном | 0.85...1.05 |
Испытательное напряжение изоляции, В | 2500 |
Сопротивление изоляции сухого и чистого реле, не бывшего в эксплуатации, МОм: в холодном состоянии в нагретом состоянии | 50 10 |
Собственное время включения реле, не более, с | 0.03 |
Масса, кг: реле без колодки контактной, разъемной реле с колодкой с винтовым зажимом | 0.18 0.3 |
Частота включений в час, не более | 1200 |
Износостойкость: реле переменного тока реле постоянного тока | 20x106 30x106 |

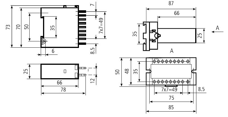
Габаритная и установочная схема реле без контактной колодки (слева) и с контактной колодкой (справа)

Схема электрическая принципиальная
ДОСТАВКА
Вы можете выбрать любой наиболее удобный способ из перечисленных ниже:
Доставка до терминала ТК «Деловые линии» осуществляется нами бесплатно.
ОПЛАТА
Мы принимаем оплату:
Цены на поставляемые нами товар всегда ниже, чем у наших конкурентов.
Условия гарантийного обслуживания
Гарантия не распространяется на ущерб, причиненный другому оборудованию, работающему вместе с данным изделием.
Центр измерительной техники «Эталонприбор» располагает своим собственным ремонтным сервисом, где Вы можете получить услуги по: ремонту, наладке, калибровке, гарантийному и послегарантийному обслуживанию измерительного оборудования, как приобретенного у нас, так и у других поставщиков. Сервис работает на основе лицензии, выданной Ростехрегулированием РФ.
