Реле температурное ТРМ-11-10 предназначено для применения в устройствах контроля температуры неагрессивной жидкой или газовой среды и коммутации цепей постоянного и переменного тока частоты 50 и 60 Гц номинальным напряжением до 220 В.
Реле температурное ТРМ-11-10 - реле с одним замыкающим контактом. Реле соответствует нормам ТУ У 31.2-05769219-010:2008.
Реле ТРМ-11-10 изготавливаются в исполнении 0 (для работы во всех макроклиматических районах на суше, кроме макроклиматического района с очень холодным климатом) и должны эксплуатироваться в закрытых отапливаемых помещениях с искусственно регулируемыми климатическими условиями (категория размещения 4).
Реле также пригодны для эксплуатации:
Диапазон контролируемых температур, °С | 25…200 | |
Температуры срабатывания реле, °С, по исполнениям | 25, 30, 35, 40, 45, 50, 55, 60, 65, 70, 75, 80, 85, 90, 95, 100, 105, 110, 115, 120, 125, 130, 135, 140, 145, 150, 155, 160, 165, 170, 175, 180, 185, 190, 195, 200 | |
Погрешность срабатывания, °С | ±4 | |
Дифференциал, °С | 2…10 | |
Диапазон напряжений коммутируемой цепи, В | постоянный ток | 24…220 |
переменный ток | 24…220 | |
Мощность, коммутируемая контактами в цепях | постоянный ток (при t =0.005с), Вт | 100 |
переменный ток (при cos j =0.4), B·A | 20 | |
Максимальная коммутируемая мощность одним контактом в цепях переменного тока (при cos j =0.4), B·A, не более | 250 | |
Минимальная сила тока, коммутируемая контактами, А | 0.1 | |
Длительно допустимая сила тока контактов, А, не более | 2 | |
Коммутационная износостойкость реле, циклов ВО, не менее | 200 000 | |
Коммутационная износостойкость одного контакта реле для цепей с мощностью до 250B·A, циклов ВО, не менее | 10 000 | |
Механическая износостойкость, млн. циклов | 16 | |
Масса, кг | 0.110 | |
Принцип действия реле основан на свойстве термомагнитного материала изменять свою магнитную проницаемость с изменением температуры.

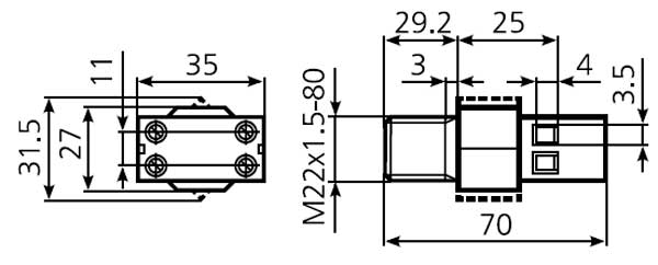
Габаритная схема реле

Схема подключения реле
В металлическом корпусе размещены термомагнитное кольцо и два изоляционных вкладыша, которые предохраняются от поворота двумя винтами.
Контактная система состоит их двух частей:
На выводы надеты винтовые зажимы. Для защиты реле от попадания внутрь посторонних предметов верхняя часть реле закрыта крышкой.
К пружине, закрепленной во вкладышах, крепится планка и скоба. В скобе закреплен постоянный магнит.
ДОСТАВКА
Вы можете выбрать любой наиболее удобный способ из перечисленных ниже:
Доставка до терминала ТК «Деловые линии» осуществляется нами бесплатно.
ОПЛАТА
Мы принимаем оплату:
Цены на поставляемые нами товар всегда ниже, чем у наших конкурентов.
Условия гарантийного обслуживания
Гарантия не распространяется на ущерб, причиненный другому оборудованию, работающему вместе с данным изделием.
Центр измерительной техники «Эталонприбор» располагает своим собственным ремонтным сервисом, где Вы можете получить услуги по: ремонту, наладке, калибровке, гарантийному и послегарантийному обслуживанию измерительного оборудования, как приобретенного у нас, так и у других поставщиков. Сервис работает на основе лицензии, выданной Ростехрегулированием РФ.
