Розетка 2РТТ20КУН2Г4 применяется в радиоэлектронной и радиотехнической аппаратуре как соединители общего назначения.
Условное обозначение розетки 2РТТ20КУН2Г4:

Схема расположения контактов на розетке
Номер сочетания контактов | 4 |
Диаметр контактов, мм | 2,5 |
Количество контактов | 2 |
Рабочий ток, А | 25 |
Максимальное рабочее напряжение постоянного тока, не более | 700 В |
Сопротивление электрического контакта, не более, мОм | 2,5 |
Сопротивление изоляции в нормальных климатических условиях, не менее | 1000 МОм |
Минимальная наработка, ч | 1000 |
При числе сочленений-расчленений | 500 |
Минимальный срок сохраняемости, лет | 20 |

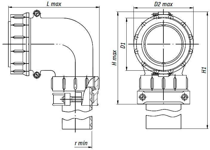
Схема - габаритные размеры розетки
H, мм | 71 |
D1, мм | М24х1,5 |
D2, мм | 29,5 |
r, мм | 29,5 |
L, мм | 70 |
Оптимальными условиями для использования соединителей 2РТТ являются:
ДОСТАВКА
Вы можете выбрать любой наиболее удобный способ из перечисленных ниже:
Доставка до терминала ТК «Деловые линии» осуществляется нами бесплатно.
ОПЛАТА
Мы принимаем оплату:
Цены на поставляемые нами товар всегда ниже, чем у наших конкурентов.
Условия гарантийного обслуживания
Гарантия не распространяется на ущерб, причиненный другому оборудованию, работающему вместе с данным изделием.
Центр измерительной техники «Эталонприбор» располагает своим собственным ремонтным сервисом, где Вы можете получить услуги по: ремонту, наладке, калибровке, гарантийному и послегарантийному обслуживанию измерительного оборудования, как приобретенного у нас, так и у других поставщиков. Сервис работает на основе лицензии, выданной Ростехрегулированием РФ.
