Розетка РПН23-3Г предназначена для работы в электрических цепях постоянного, переменного (частотой до 3 МГц) и импульсного токов при напряжении до 355 В и силы тока на контакт до 10 А, а также радиочастотных цепях частотой до 10000 МГц.

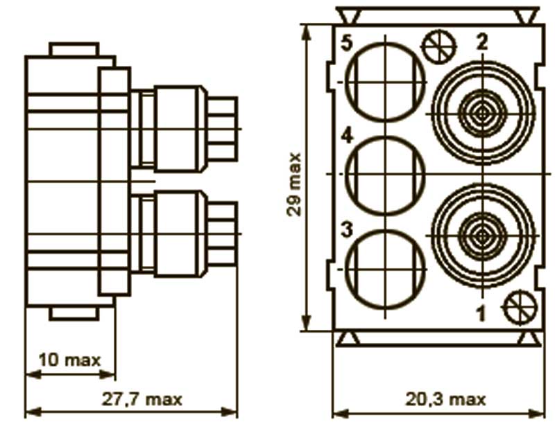
Схема - габаритные размеры розетки
| Сопротивление контактов для низкочастотных соединителей, МОм, не более | 2,5 |
| Сопротивление контактов для радиочастотных соединителей («штырь-гнездо» и «корпус-корпус»), МОм, не более | 10,0 |
| Ёмкость между любыми низкочастотными контактами и между радиочастотным контактом и его корпусом, пФ, не более | 4,0 |
| Ток на контакт для низкочастотных соединителей, А, не более | 10,0 |
| Максимальное рабочее напряжение для низкочастотных контактов, В, не более | 355 |
| Максимальное рабочее напряжение для радиочастотных контактов диаметром 0,5 мм, В, не более | 145 |
| Максимальное рабочее напряжение для радиочастотных контактов диаметром 0,8 мм, В, не более | 355 |
| Сопротивление изоляции между внутренним контактом и корпусом радиочастотного соединителя не менее, МОм | 1000 |
| Марка кабеля для подключения | РК-75-1-22 |
ДОСТАВКА
Вы можете выбрать любой наиболее удобный способ из перечисленных ниже:
Доставка до терминала ТК «Деловые линии» осуществляется нами бесплатно.
ОПЛАТА
Мы принимаем оплату:
Цены на поставляемые нами товар всегда ниже, чем у наших конкурентов.
Условия гарантийного обслуживания
Гарантия не распространяется на ущерб, причиненный другому оборудованию, работающему вместе с данным изделием.
Центр измерительной техники «Эталонприбор» располагает своим собственным ремонтным сервисом, где Вы можете получить услуги по: ремонту, наладке, калибровке, гарантийному и послегарантийному обслуживанию измерительного оборудования, как приобретенного у нас, так и у других поставщиков. Сервис работает на основе лицензии, выданной Ростехрегулированием РФ.
