Шаговый двигатель KRS563 (фланец 56 мм) предназначен для:
Вал | Выводов | Макс. статический момент, кг.см | Номинальный ток фазы, А | |
по фронту | с двух сторон | |||
Длина корпуса - 56 мм | ||||
KRS563S-4100 | KRS563D-4100 | 4 биполяр | 12 | 1 |
KRS563S-6100 | KRS563D-6100 | 6 униполяр | 9 | 1 |
KRS563S-4180 | KRS563D-4180 | 4 биполяр | 12 | 1,8 |
KRS563S-4200 | KRS563D-4200 | 4 биполяр | 12 | 2 |
KRS563S-6200 | KRS563D-6200 | 6 униполяр | 9 | 2 |
KRS563S-6200 | KRS563D-8212 | 8 униполяр | 9 | 2,12 |
--//-- параллельно | биполяр | 12,8 | 3 | |
--//-- последовательно | биполяр | 12,8 | 1,5 | |
KRS563S-4280 | KRS563D-4280 | 4 биполяр | 12 | 2,8 |
KRS563S-4300 | KRS563D-4300 | 4 биполяр | 12 | 3 |
Вал | Номинальное сопротивление обмотки одной фазы, Ом | Номинальная индуктивность обмотки одной фазы, мГн | |
по фронту | с двух сторон | ||
Длина корпуса - 56 мм | |||
KRS563S-4100 | KRS563D-4100 | 9,3 | 30 |
KRS563S-6100 | KRS563D-6100 | 6 | 12 |
KRS563S-4180 | KRS563D-4180 | 1,8 | 5,5 |
KRS563S-4200 | KRS563D-4200 | 1,6 | 5,5 |
KRS563S-6200 | KRS563D-6200 | 1,8 | 2,8 |
KRS563S-6200 | KRS563D-8212 | 1,23 | 2,1 |
--//-- параллельно | 0,62 | 2,1 | |
--//-- последовательно | 0,46 | 8,4 | |
KRS563S-4280 | KRS563D-4280 | 0,9 | 2,8 |
KRS563S-4300 | KRS563D-4300 | 0,62 | 2,1 |

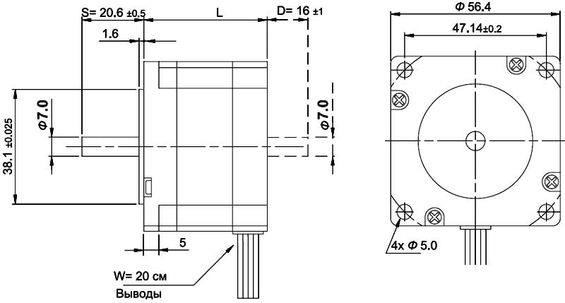
Схема - габаритные размеры двигателя
ДОСТАВКА
Вы можете выбрать любой наиболее удобный способ из перечисленных ниже:
Доставка до терминала ТК «Деловые линии» осуществляется нами бесплатно.
ОПЛАТА
Мы принимаем оплату:
Цены на поставляемые нами товар всегда ниже, чем у наших конкурентов.
Условия гарантийного обслуживания
Гарантия не распространяется на ущерб, причиненный другому оборудованию, работающему вместе с данным изделием.
Центр измерительной техники «Эталонприбор» располагает своим собственным ремонтным сервисом, где Вы можете получить услуги по: ремонту, наладке, калибровке, гарантийному и послегарантийному обслуживанию измерительного оборудования, как приобретенного у нас, так и у других поставщиков. Сервис работает на основе лицензии, выданной Ростехрегулированием РФ.
