Шаговый двигатель KRS584 (фланец 58 мм) предназначен для:
Вал | Выводов | Макс. статический момент, кг.см | Номинальный ток фазы, А | |
по фронту | с двух сторон | |||
Длина корпуса - 76 мм | ||||
KRS584S-4420 | KRS584D-4420 | 4 биополяр | 11 | 4,2 |
KRS584S-4210 | KRD584S-4210 | 4 биополяр | 11 | 2,1 |
KRS584S-4360 | KRS584D-4360 | 4 биополяр | 11 | 3,6 |
Вал | Номинальное сопротивление обмотки одной фазы, Ом | Номинальная индуктивность обмотки одной фазы, мГн | |
по фронту | с двух сторон | ||
Длина корпуса - 76 мм | |||
KRS584S-4420 | KRS584D-4420 | 0,6 | 1,4 |
KRS584S-4210 | KRD584S-4210 | 2,2 | 6,2 |
KRS584S-4360 | KRS584D-4360 | 0,8 | 2,2 |

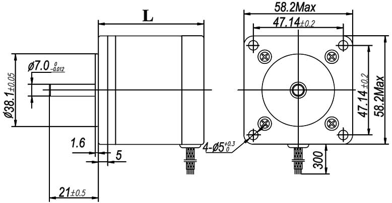
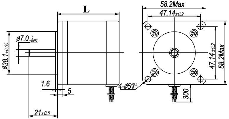
Схема - габаритные размеры двигателя
ДОСТАВКА
Вы можете выбрать любой наиболее удобный способ из перечисленных ниже:
Доставка до терминала ТК «Деловые линии» осуществляется нами бесплатно.
ОПЛАТА
Мы принимаем оплату:
Цены на поставляемые нами товар всегда ниже, чем у наших конкурентов.
Условия гарантийного обслуживания
Гарантия не распространяется на ущерб, причиненный другому оборудованию, работающему вместе с данным изделием.
Центр измерительной техники «Эталонприбор» располагает своим собственным ремонтным сервисом, где Вы можете получить услуги по: ремонту, наладке, калибровке, гарантийному и послегарантийному обслуживанию измерительного оборудования, как приобретенного у нас, так и у других поставщиков. Сервис работает на основе лицензии, выданной Ростехрегулированием РФ.
