Светозвуковой оповещатель Гермет-2 выполнен в металлическом корпусе, имеет в составе плату генератора, пьезокерамический излучатель и ультраяркие светодиоды. Конструкция оповещателя обеспечивает высокую степень защиты оболочки – IP 65. Удобен при монтаже.
| Параметры | Гермет-2 |
| Напряжение питания, В | 24 + |3| |
| Потребляемый ток не более, мА | 100 |
| Потребляемый ток по входу "Светодиод" не более, мА | 6 |
| Уровень звукового давления не менее, дБ | 95 |
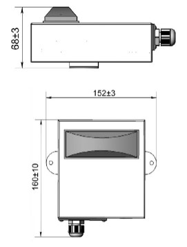
| Габаритные размеры, мм | 160х152х68 |
| Масса не более, кг | 0.4 |
| Степень защиты оболочки | IP 65 |
| Диапазон рабочих температур, °С | от -40 до +55 |
Оповещатели выполнены в металлическом корпусе, имеющем основание, кожух и заглушку. На основании расположены плата с электронными компонентами.
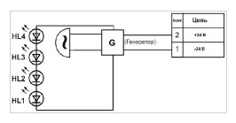
Исполнительными элементами оповещателей являются:
Оповещатели выдают световой и звуковой сигналы при подаче на них напряжения питания.

РИс.1 Схема габаритных размеров Гермет-2

Рис.2 Схема подключения Гермет-2
ДОСТАВКА
Вы можете выбрать любой наиболее удобный способ из перечисленных ниже:
Доставка до терминала ТК «Деловые линии» осуществляется нами бесплатно.
ОПЛАТА
Мы принимаем оплату:
Цены на поставляемые нами товар всегда ниже, чем у наших конкурентов.
Условия гарантийного обслуживания
Гарантия не распространяется на ущерб, причиненный другому оборудованию, работающему вместе с данным изделием.
Центр измерительной техники «Эталонприбор» располагает своим собственным ремонтным сервисом, где Вы можете получить услуги по: ремонту, наладке, калибровке, гарантийному и послегарантийному обслуживанию измерительного оборудования, как приобретенного у нас, так и у других поставщиков. Сервис работает на основе лицензии, выданной Ростехрегулированием РФ.
