Термовыключатель АД-155М-А11К предназначен для применения в устройствах контроля температуры и сигнализации в цепях постоянного и переменного тока напряжением 27 В частоты 50 Гц и 60 Гц.
Структура условного обозначения АД-155М-А11К:

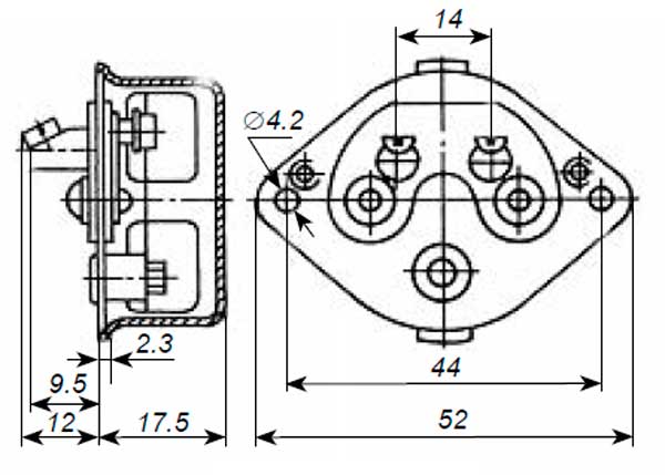
Габаритная схема термовыключателя
На панели 1 укреплены два серебряных неподвижных контакта 5, клеммы 4 и колонка 2. Клеммы и контакты изолированы от панели. На колонке консольно укреплена сферическая биметаллическая пластина 3 с серебряным контактом 6, изолированным от пластины.
Биметаллическая пластина оттарирована так, что при нагревании она скачкообразно выгибается в противоположную сторону, а при охлаждении скачкообразно возвращается в исходное положение.
Заданная температура размыкания и замыкания контакта достигается подбором соответствующей формы сферической пластины.
Термовыключатели следует устанавливать на контролируемом объекте так, чтобы поток воздуха свободно обтекал термочувствительный элемент. В непосредственной близости от термовыключателя не должно находиться сильно нагревающиеся части аппаратуры.
Термовыключатель крепится двумя винтами. Неплоскостность поверхности места установки не более 0.05мм. Подключение термовыключателя производится при помощи проводов, присоединяемых к клеммам 4. Рекомендуется на концах проводов иметь кабельные наконечники. Максимальное сечение присоединяемых проводов 1.5 мм2.
Рабочее напряжение, В | постоянный ток | 27 |
переменный тока 50/60Гц | 27 | |
Температура, °C | размыкания контактов | 50±10 |
замыкания контактов | 40±10 | |
Сила коммутируемого тока, А в цепи контактов | максимально допустимая | 2 |
минимально допустимая | 0.2 | |
Коммутационная износостойкость, циклов ВО | 3х103 | |
Число и род контактов | один размыкающий или один замыкающий | |
Испытательное напряжение по изоляции частотой 50Гц, В | 500 | |
Масса, кг | 0.35 | |
ДОСТАВКА
Вы можете выбрать любой наиболее удобный способ из перечисленных ниже:
Доставка до терминала ТК «Деловые линии» осуществляется нами бесплатно.
ОПЛАТА
Мы принимаем оплату:
Цены на поставляемые нами товар всегда ниже, чем у наших конкурентов.
Условия гарантийного обслуживания
Гарантия не распространяется на ущерб, причиненный другому оборудованию, работающему вместе с данным изделием.
Центр измерительной техники «Эталонприбор» располагает своим собственным ремонтным сервисом, где Вы можете получить услуги по: ремонту, наладке, калибровке, гарантийному и послегарантийному обслуживанию измерительного оборудования, как приобретенного у нас, так и у других поставщиков. Сервис работает на основе лицензии, выданной Ростехрегулированием РФ.
