Тиристорный преобразователь КЕМРОН 18АЕВ16 однокоординатный шестипульсный высокомоментным двигателем постоянного тока предназначен для электропривода металлорежущих станков с ЧПУ.
Исполнение 1 | |
Номинальный выпрямленный ток, А | 140 |
Максимальный выпрямленный ток, А | 500 |
Номинальное напряжение питания, В | 6-160 |
Допустимое отклонение напряжения питания, % | от -15 до +10 |
Частота сети питания, Гц | 50 |
Управляющее напряжение, В | от 0 до ±10 |
Режим работы | продолжительный (S1) |
Климатическое исполнение | нормальное |
Степень защиты | IP00 |
Номинальный момент вращения двигателя, Нм | 70/100 |
Максимальная скорость двигателя, мин-1 | 1500 |
Исполнение 2 | |
Номинальный выпрямленный ток, А | 140 |
Максимальный выпрямленный ток, А | 500 |
Номинальное напряжение питания, В | 6-290 |
Допустимое отклонение напряжения питания, % | от -15 до +10 |
Частота сети питания, Гц | 50 |
Управляющее напряжение, В | от 0 до ±10 |
Режим работы | продолжительный (S1) |
Климатическое исполнение | нормальное |
Степень защиты | IP00 |
Номинальный момент вращения двигателя, Нм | 130, 170 |
Максимальная скорость двигателя, мин-1 | 2000 |
*линейное напряжение шестифазной системы равно фазному.
Тиристорные преобразователи представляют собой однокоординатные модули, имеет блочную конструкцию, обеспечивающую оперативную замену блоков и свободный доступ ко всем контрольным точкам и элементам.
Преобразователь состоит из тиристорного блока и блока управления.
Блок управления содержит четыре платы: «Питание и управление тиристорами», «Фазовое управление», «Логика» и «Регуляторы». Одна из них — «Питание» закреплена неподвижно перед блоком тиристоров, а остальные по порядку установлены перед ней на аппарате, обеспечивающем вращение каждой из них относительно горизонтальной оси.
Тиристорный блок представляет собой два управляемых выпрямителя по шестипульсной схеме, имеющей среднюю точку.

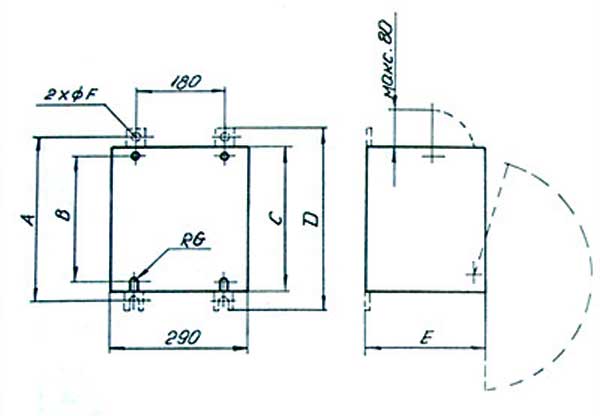
Схема - конструкция и габариты
B, мм | 393 |
C, мм | 410 |
E, мм | 274 |
F, мм | 8,5 |
G, мм | 4,5 |
ДОСТАВКА
Вы можете выбрать любой наиболее удобный способ из перечисленных ниже:
Доставка до терминала ТК «Деловые линии» осуществляется нами бесплатно.
ОПЛАТА
Мы принимаем оплату:
Цены на поставляемые нами товар всегда ниже, чем у наших конкурентов.
Условия гарантийного обслуживания
Гарантия не распространяется на ущерб, причиненный другому оборудованию, работающему вместе с данным изделием.
Центр измерительной техники «Эталонприбор» располагает своим собственным ремонтным сервисом, где Вы можете получить услуги по: ремонту, наладке, калибровке, гарантийному и послегарантийному обслуживанию измерительного оборудования, как приобретенного у нас, так и у других поставщиков. Сервис работает на основе лицензии, выданной Ростехрегулированием РФ.
