Трансформатор питания ТШ60/21 на шихтованном магнитопроводе предназначен для питания радиоэлектронных и электротехнических устройств от сети переменного тока частотой 50Гц и номинальным напряжением 220 В с отклонением +10%, — 15% от номинального значения.
Возможно изготовление трансформаторов и на напряжение питания 380 В.

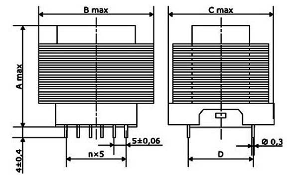
Схема - габаритные и установочные размеры трансформатора
Мощность | 18 Вт |
Масса | 0,52 кг |
Габаритные размеры | |
A, мм | 43,8 |
B, мм | 60,5 |
C, мм | 50,5 |
Установочные размеры | |
D, мм | 32,5 |
E, мм | 40 |
F, мм | 50 |
n, шт | 7 |
Трансформаторы стойки к воздействию многократных ударов с ускорением до 150м/с (15g) и синусоидальной вибрации с диапазоном частот 1-55Гц и амплитудой ускорения 10 м/с (1g) – степень жесткости по ГОСТ 25467.
Электрическая изоляция трансформаторов в нормальных климатических условиях выдерживает без пробоя и поверхностного перекрытия одноминутное испытательное напряжение переменного тока частотой 50Гц с эффективным значением:
ДОСТАВКА
Вы можете выбрать любой наиболее удобный способ из перечисленных ниже:
Доставка до терминала ТК «Деловые линии» осуществляется нами бесплатно.
ОПЛАТА
Мы принимаем оплату:
Цены на поставляемые нами товар всегда ниже, чем у наших конкурентов.
Условия гарантийного обслуживания
Гарантия не распространяется на ущерб, причиненный другому оборудованию, работающему вместе с данным изделием.
Центр измерительной техники «Эталонприбор» располагает своим собственным ремонтным сервисом, где Вы можете получить услуги по: ремонту, наладке, калибровке, гарантийному и послегарантийному обслуживанию измерительного оборудования, как приобретенного у нас, так и у других поставщиков. Сервис работает на основе лицензии, выданной Ростехрегулированием РФ.
