Выключатель путевой ВП21А-211П 55У2.3 предназначен для коммутации электрических цепей управления переменного напряжения до 660 В, частоты 50 и 60 Гц., и постоянного напряжения до 440 В, под воздействием управляющих упоров в определенных точках пути контролируемого объекта.

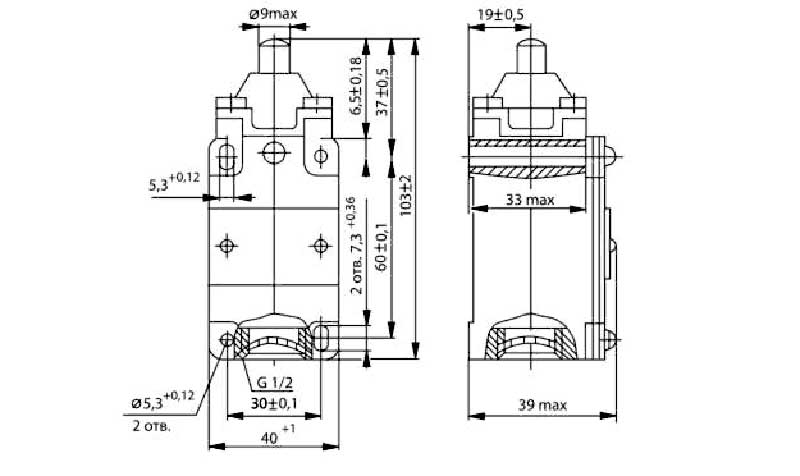
Габаритная схема выключателя
Высота над уровнем моря не более | 4300 м. |
Рабочая температура окружающего воздуха t° C | от -40° до +70° |
Коммутационная износостойкость циклов не менее: | 4 млн. |
Номинальный ток | 10 А |
Минимальный коммутируемый ток | 0,2 А (при 12 В) |
Применяются контакты с массой серебра: | 0,544 гр. |
Габаритные размеры | 103х40х46 мм |
Присоединительные размеры | 60x30 4 отв. ø5.3 |
ДОСТАВКА
Вы можете выбрать любой наиболее удобный способ из перечисленных ниже:
Доставка до терминала ТК «Деловые линии» осуществляется нами бесплатно.
ОПЛАТА
Мы принимаем оплату:
Цены на поставляемые нами товар всегда ниже, чем у наших конкурентов.
Условия гарантийного обслуживания
Гарантия не распространяется на ущерб, причиненный другому оборудованию, работающему вместе с данным изделием.
Центр измерительной техники «Эталонприбор» располагает своим собственным ремонтным сервисом, где Вы можете получить услуги по: ремонту, наладке, калибровке, гарантийному и послегарантийному обслуживанию измерительного оборудования, как приобретенного у нас, так и у других поставщиков. Сервис работает на основе лицензии, выданной Ростехрегулированием РФ.
