Выключатель путевой ВП73-11011 00 УХЛ3 применяется для коммутации электрических цепей управления переменного тока частотой 50 и 60Гц напряжением до 380В и постоянного тока напряжением до 220В под воздействием управляющих упоров в определенных точках пути контролируемого объекта.
Выключатели ВП73 имеют двойной, гальванически разделенный контактный мостик, отвечающий повышенным требованиям безопасности согласно Правил устройств и безопасности эксплуатации лифтов ПБ 10-558-03.
Вылючатель является аналогом МП1107.
Выключатели изготавливаются для установки на подвижных и неподвижных частях стационарных установок в лифтах и другом оборудовании.

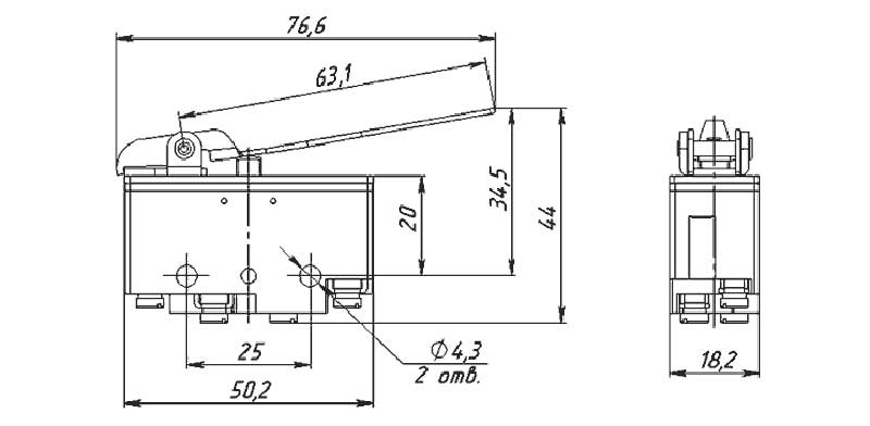
Габаритная схема выключателя
Номинальный тепловой ток, А | 10 |
Количество полюсов | 2 |
Степень защиты | ІР00 |
Коммутационная износостойкость циклов, не менее | 1 600 000 |
Минимальный коммутируемый ток | 0,05 А (при 12В) |
Номинальное напряжение по изоляции,В | 660 |
Рабочая температура окружающего воздуха t, C | от - 45 до + 85 |
Контактная группа | 1з.+1р. |
Рабочее положение выключателя в пространстве | любое |
Применяются контакты с массой серебра гр. | 0,384 |
Установочные размеры | 25±0.1 (2 отв. 4.5) |
Усилие срабатывания | 0,5 Н |
Рабочий ход | 6,2±0,5 мм |
Габаритные размеры | 76,6х44х18,2 мм |
Масса | 60 грамм |
ДОСТАВКА
Вы можете выбрать любой наиболее удобный способ из перечисленных ниже:
Доставка до терминала ТК «Деловые линии» осуществляется нами бесплатно.
ОПЛАТА
Мы принимаем оплату:
Цены на поставляемые нами товар всегда ниже, чем у наших конкурентов.
Условия гарантийного обслуживания
Гарантия не распространяется на ущерб, причиненный другому оборудованию, работающему вместе с данным изделием.
Центр измерительной техники «Эталонприбор» располагает своим собственным ремонтным сервисом, где Вы можете получить услуги по: ремонту, наладке, калибровке, гарантийному и послегарантийному обслуживанию измерительного оборудования, как приобретенного у нас, так и у других поставщиков. Сервис работает на основе лицензии, выданной Ростехрегулированием РФ.
