Выключатель путевой ВП85-19-1112-20 УХЛ3 предназначен для применения в устройствах общего назначения, а также в электрических устройствах безопасности лифтов для коммутации электрических цепей управления переменного напряжения до 250В, частоты 50 и 60 Гц., и постоянного напряжения до 250 В, под воздействием подвижных элементов в определенных точках пути контролируемых объектов.
Выключатели соответствуют требованиям европейских EN 81-1 и Правил устройства и безопасной эксплуатации лифтов ПБ 10-558-03.

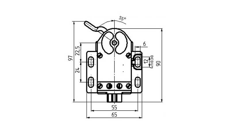
Габаритная схема выключателя
Номинальный ток | 6 А |
Категория размещения | 3 |
Номинальные токи коммутации категория АС-22,АС-23 | |
при включении: | I=0,5А; U=250В; cos=0,65 |
отключении: | I=0,5А; U=250В; cos=0,65 |
Коммутационная износостойкость контактов | не менее 0,5 млн.циклов |
Минимальный ток выключателя | 0,02А (при 12В) |
Степень защиты | IP20 |
Номинальные токи коммутации категории DС-22,DС-23 | |
при включении | I=0,5А; U=250В; |
при отключении | I=0,14А; U=250В; |
ДОСТАВКА
Вы можете выбрать любой наиболее удобный способ из перечисленных ниже:
Доставка до терминала ТК «Деловые линии» осуществляется нами бесплатно.
ОПЛАТА
Мы принимаем оплату:
Цены на поставляемые нами товар всегда ниже, чем у наших конкурентов.
Условия гарантийного обслуживания
Гарантия не распространяется на ущерб, причиненный другому оборудованию, работающему вместе с данным изделием.
Центр измерительной техники «Эталонприбор» располагает своим собственным ремонтным сервисом, где Вы можете получить услуги по: ремонту, наладке, калибровке, гарантийному и послегарантийному обслуживанию измерительного оборудования, как приобретенного у нас, так и у других поставщиков. Сервис работает на основе лицензии, выданной Ростехрегулированием РФ.
