Выключатель путевой ВПК-2112 БУ2 предназначен для коммутации электрических цепей управления переменного напряжения до 660 В,частоты 50 и 60 Гц., и постоянного напряжения до 440 В, под воздействием управляющих упоров в определенных точках пути контролируемого объекта.
| Параметры | Значение |
| Ток при работе в длительном режиме | 10 А |
| Коммутаций в час max: | 6000 циклов |
| Износостойкость при механическом управлении | 30 000 000 циклов |
| Рабочее напряжение постоянное переменное | 12 - 660В |
| Количество и тип контактов | 1н + 1з |
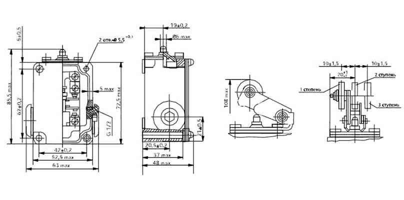
| Габаритные размеры | 108х63х48 мм |
| Присоединительные размеры | 62±0,2; 42±0,2 2 отв o5.5 (по диагонали) |
ВПК-2112 БУ2 это двухполюсный путевой выключатель с механизмом самовозврата и 1 размыкающим и 1 замыкающим контактами, предусмотрен разрыв цепи в двух местах, коммутирует линии электропередач.
Отключается под воздействием кулачков, которые устанавливаются в нужных местах по пути продвижения управляемого механизма, когда объект достигает места установки кулачка, они влияют на толкатель разрывая цепь.
Работает выключатель при повторно-кратковременном режиме, корпус изготовлен из силумина.

Габаритная схема выключателя
ДОСТАВКА
Вы можете выбрать любой наиболее удобный способ из перечисленных ниже:
Доставка до терминала ТК «Деловые линии» осуществляется нами бесплатно.
ОПЛАТА
Мы принимаем оплату:
Цены на поставляемые нами товар всегда ниже, чем у наших конкурентов.
Условия гарантийного обслуживания
Гарантия не распространяется на ущерб, причиненный другому оборудованию, работающему вместе с данным изделием.
Центр измерительной техники «Эталонприбор» располагает своим собственным ремонтным сервисом, где Вы можете получить услуги по: ремонту, наладке, калибровке, гарантийному и послегарантийному обслуживанию измерительного оборудования, как приобретенного у нас, так и у других поставщиков. Сервис работает на основе лицензии, выданной Ростехрегулированием РФ.
