Гидравлический дроссель с обратным клапаном ДК 10,3-М предназначен для создания перепада давлений в подводимом и отводимом потоках рабочей жидкости или регулирования величины расхода при прохождении его в обратном направлении.
Структура условного обозначения дросселя ДК-10.3-М X1 - УХЛ 1:
Область применения гидродросселей – гидроприводы станков, прессов, литейных и литьевых машин, а также другого оборудования.
Гидродросселями комплектуется оборудование, используемое для нужд народного хозяйства, а также поставляемое на экспорт, в том числе в стране с тропическим климатом.
Гидродроссели работают на минеральных маслах кинематической вязкостью от 20 до 200 сСт и температурой от +1 до +70 °C при температуре окружающей среды от +1 до +55 °C.
Управление настройкой гидродросселей – ручное, направление перемещения регулировочного винта – вокруг и вдоль собственной оси, положение при эксплуатации – любое.

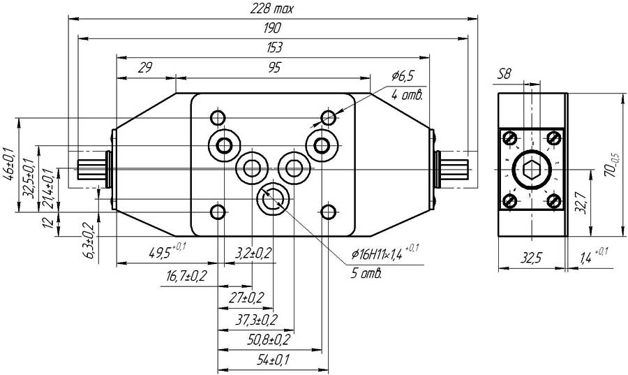
Конструктивная схема дросселя
Условные проходы, мм | 10 |
Давление на входе, МПа | |
номинальное | 32 |
максимальное | 35 |
минимальное | 0,35 |
Максимальное давление на выходе, МПа | 32 |
Расход рабочей жидкости, л/мин | |
Номинальный | 63 |
максимальный | 160 |
Давление открывания обратного клапана, МПа | 0,05 |
Внутренняя герметичность, см3/мин | 350 |
Перепад давления на полностью открытом дросселе, МПа | |
При расходе 40 л/мин | 0,08 |
При расходе 63 л/мин | 0,25 |
Масса, кг | 2,2 |
ДОСТАВКА
Вы можете выбрать любой наиболее удобный способ из перечисленных ниже:
Доставка до терминала ТК «Деловые линии» осуществляется нами бесплатно.
ОПЛАТА
Мы принимаем оплату:
Цены на поставляемые нами товар всегда ниже, чем у наших конкурентов.
Условия гарантийного обслуживания
Гарантия не распространяется на ущерб, причиненный другому оборудованию, работающему вместе с данным изделием.
Центр измерительной техники «Эталонприбор» располагает своим собственным ремонтным сервисом, где Вы можете получить услуги по: ремонту, наладке, калибровке, гарантийному и послегарантийному обслуживанию измерительного оборудования, как приобретенного у нас, так и у других поставщиков. Сервис работает на основе лицензии, выданной Ростехрегулированием РФ.
