Гидрораспределитель РЕХ 10.3 с электрогидравлическим управлением предназначен для изменения направления или пуска и остановки потока рабочей жидкости в гидросистемах.
При обесточенных электромагнитах золотник управления и главный золотник, на который действуют пружины, находятся в среднем положении; при этом обе полости под торцами главного золотника сообщены со с сливом.
При включении одного из электромагнитов, золотник управления перемещается в крайнее положение, пропуская масло из системы управления к торцу главного золотника.
При этом последний перемещается в крайнее положение, соединяя одну полость рабочего цилиндра с потоком масла от насоса, а другую — со сливом.

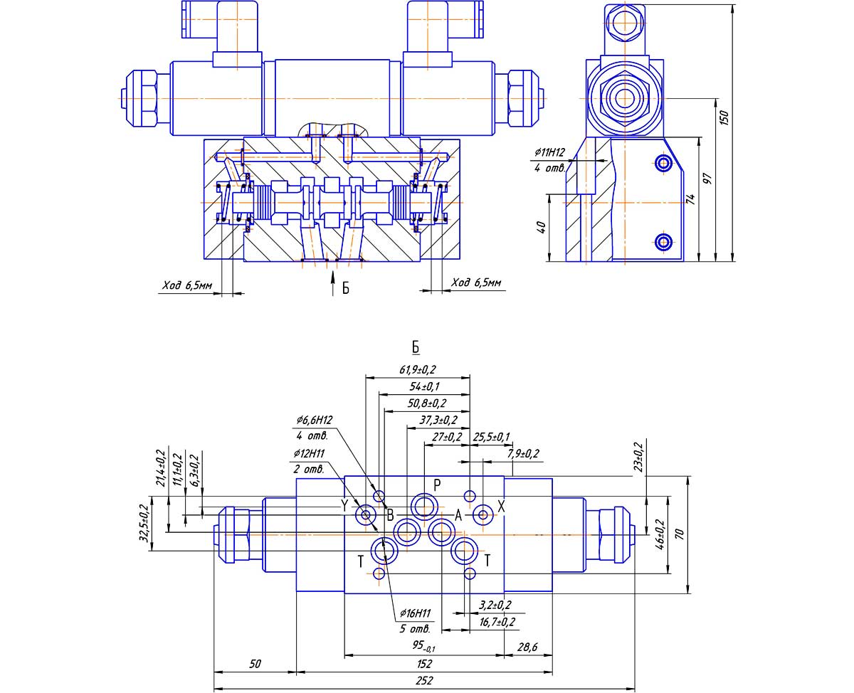
Конструктивная схема распределителя
Условный проход, мм | 10 |
Давление на входе, номинальное, МПа | 32 |
Давление на выходе (сливе), максимальное, МПа: | 25 |
Расход рабочей жидкости, л/мин: | 40 |
Внутренняя герметичность (максимальные внутренние утечки по каждой линии), см3/мин | 200 |
Время срабатывания, мс | 35 |
Давление управления, МПа: | 25 |
Номинальная тонкость фильтрации, мкм | 25 |
Масса, кг: | 7,0 |
ДОСТАВКА
Вы можете выбрать любой наиболее удобный способ из перечисленных ниже:
Доставка до терминала ТК «Деловые линии» осуществляется нами бесплатно.
ОПЛАТА
Мы принимаем оплату:
Цены на поставляемые нами товар всегда ниже, чем у наших конкурентов.
Условия гарантийного обслуживания
Гарантия не распространяется на ущерб, причиненный другому оборудованию, работающему вместе с данным изделием.
Центр измерительной техники «Эталонприбор» располагает своим собственным ремонтным сервисом, где Вы можете получить услуги по: ремонту, наладке, калибровке, гарантийному и послегарантийному обслуживанию измерительного оборудования, как приобретенного у нас, так и у других поставщиков. Сервис работает на основе лицензии, выданной Ростехрегулированием РФ.
