Гидрораспределитель РММ 10.3-34Ф 20-УХЛ1 с ручным управлением предназначен для перенаправления потока жидкости в ручном режиме.
Структура условного обозначения - РММ 10.3 - 34 Ф 20 - УХЛ 1:

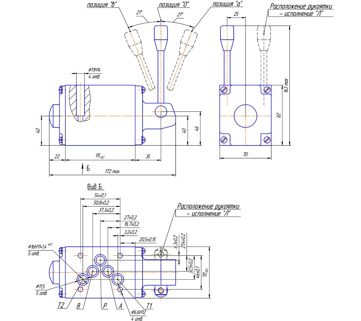
Конструктивная схема гидрораспределителя
| Параметры | Значение |
| Условный проход, мм | 10 |
| Давление на входе, номинальное, МПа (кгс/см2) | 32 (320) |
| Давление на выходе (сливе), максимальное, МПа (кгс/см2) | 16 (160) |
Расход рабочей жидкости л/мин, номинальный:
|
25 |
Внутренняя герметичность (максимальные внутренние утечки по каждой линии), см3/мин, не более:
|
200 |
| Ход управления, градус | 21 |
| Сила управления (без давления на сливе), Н | 50 |
Номинальная тонкость фильтрации, мкм | 25 |
| Масса, кг | 4,4 |
ДОСТАВКА
Вы можете выбрать любой наиболее удобный способ из перечисленных ниже:
Доставка до терминала ТК «Деловые линии» осуществляется нами бесплатно.
ОПЛАТА
Мы принимаем оплату:
Цены на поставляемые нами товар всегда ниже, чем у наших конкурентов.
Условия гарантийного обслуживания
Гарантия не распространяется на ущерб, причиненный другому оборудованию, работающему вместе с данным изделием.
Центр измерительной техники «Эталонприбор» располагает своим собственным ремонтным сервисом, где Вы можете получить услуги по: ремонту, наладке, калибровке, гарантийному и послегарантийному обслуживанию измерительного оборудования, как приобретенного у нас, так и у других поставщиков. Сервис работает на основе лицензии, выданной Ростехрегулированием РФ.
