Гидрораспределитель секционный ГРС 10.2П с ручным управлением применяется для управления исполнительными механизмами машин и обеспечивают различные схемы управления:
Условное обозначение: гидрораспределитель секционный типа ГРС10.2П-20У255-21Ф.31-3ВПС-30М УХЛ1
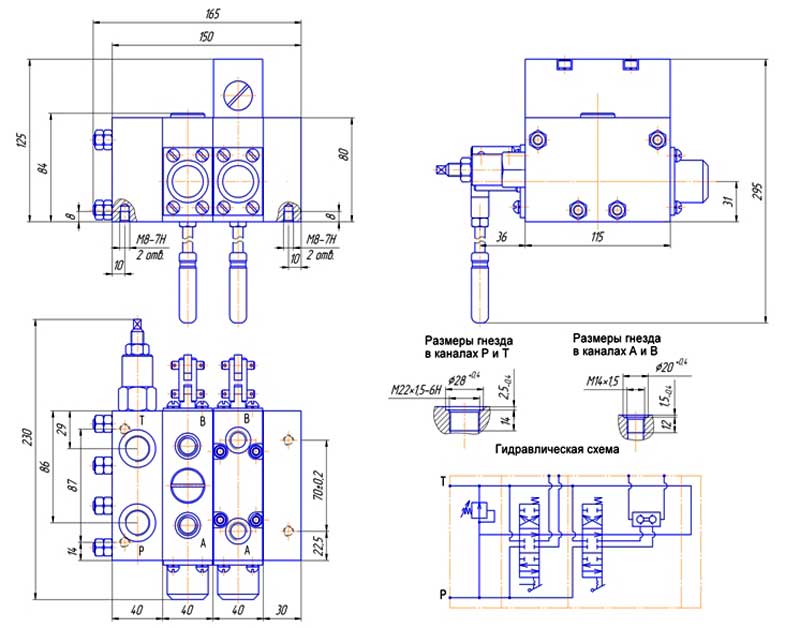
В нейтральном положении всех золотников обеспечивается соединение насоса с баком, а при переключении какого-либо золотника в одну из рабочих позиций – одновременное перекрытие переливного канала и открытие напорного канала.
Условный проход Ду, мм | 10 |
Давление на входе, МПа (кгс/см2) | 25 (250) |
Давление на сливе, МПа (кгс/см2) | 2 (20) |
Расход рабочей жидкости, л/мин | 63 |
Усилие по оси золотника, кгс (при отсутствии давления на сливе) | 20 |
Ход рукоятки, градус | 16±1 |
Количество секций | 2…11 |

Конструктивная схема гидрораспределителя
Напорная секция | Рабочая секция | Секция разгрузки |
20– напорная секция с отверстиями для подвода и слива рабочей жидкости | 0– аналог 34 схемы распределения | 30– внутри секции каналы слива и перепускной канал объединены |
20У– напорная секция с отверстиями для подвода и слива рабочей жидкости и предохранительным клапаном прямого действия | 1– аналог 34 схемы распределения с гидрозамком | 31– внутри секции каналы слива объединены, перепускной канал имеет отверстие для подключения трубопровода |
20С– напорная секция с отверстиями для подвода и слива рабочей жидкости и предохранительным клапаном двойного действия | 1А– аналог 34 схемы распределения с односторонним гидрозамком в канале А | 32– каналы слива разъединены, перепускной канал имеет отверстие для подключения трубопровода |
21– напорная секция с отверстиями для раздельного подсоединения рабочей жидкости к каналу давления и перепускному каналу | 1В– аналог 34 схемы распределения с односторонним гидрозамком в канале В | 33– внутри секции каналы слива объединены, секция имеет отверстия для присоединения трубопроводов к каналу давления и перепускному каналу |
22– напорная секция с отверстиями для раздельного подсоединения рабочей жидкости к каналу давления и перепускному каналу. Каналы слива внутри корпуса объединены | 2– аналог 44 схемы распределения | - |
Резьба канала Р напорной секции | Резьба канала Т напорной секции | Резьба каналов Р, Т, П секции разгрузки | Резьба каналов А и В рабочей секции |
1 — М14×1,5 | 1 — М14×1,5 | 1 — М14×1,5 | 1 — М14×1,5 |
2 — М16×1,5 | 2 — М16×1,5 | 2 — М16×1,5 | 2 — М16×1,5 |
3 — М18×1,5 | 3 — М18×1,5 | 3 — М18×1,5 | 3 — М18×1,5 |
4 — М20×1,5 | 4 — М20×1,5 | 4 — М20×1,5 | 4 — М20×1,5 |
5 — М22×1,5 | 5 — М22×1,5 | 5 — М22×1,5 | 5 — М22×1,5 |
6 — М24×1,5 | 6 — М24×1,5 | 6 — М24×1,5 | - |
ДОСТАВКА
Вы можете выбрать любой наиболее удобный способ из перечисленных ниже:
Доставка до терминала ТК «Деловые линии» осуществляется нами бесплатно.
ОПЛАТА
Мы принимаем оплату:
Цены на поставляемые нами товар всегда ниже, чем у наших конкурентов.
Условия гарантийного обслуживания
Гарантия не распространяется на ущерб, причиненный другому оборудованию, работающему вместе с данным изделием.
Центр измерительной техники «Эталонприбор» располагает своим собственным ремонтным сервисом, где Вы можете получить услуги по: ремонту, наладке, калибровке, гарантийному и послегарантийному обслуживанию измерительного оборудования, как приобретенного у нас, так и у других поставщиков. Сервис работает на основе лицензии, выданной Ростехрегулированием РФ.
