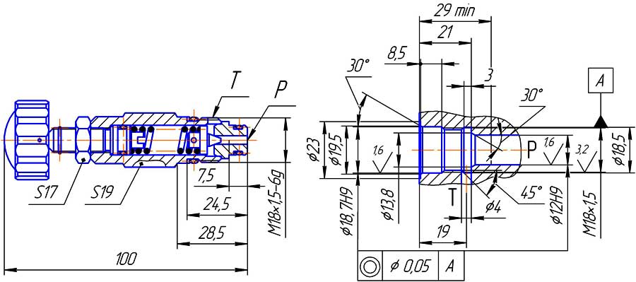
Клапан предохранительный КПУ-4 прямого действия предназначен для ограничения величины давления подводимого к нему потока масла, поддержания установленного давления и предохранения гидросистемы от перегрузки.
Структура условного обозначения клапана - КПУ 4/X1 X2 X3 - X4 1:

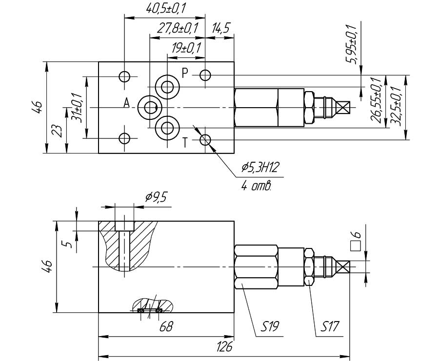
Конструктивная схема клапана КПУ 4/*ВВ

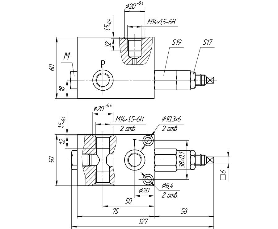
Конструктивная схема клапана КПУ 4/*БС

Конструктивная схема клапана КПУ 4/*БТ
Пока давление в системе не преодолеет усилие, на которое настроена пружина, гидравлически уравновешенный золотник перекрывает выход масла на слив.
При повышении давления в гидросистеме конусный клапан, преодолевая усилие пружины, открывается, и масло поступает на слив.
С падением давления в гидросистеме ниже того, на которое настроена пружина, конусный клапан закрывается, прекращая поток масла на слив.
Давление на входе, МПа | |||
номинальное | 10 | 20 | 32 |
максимальное | 12,5 | 25 | 35 |
Диапазон настройки давления, МПа | 0,5-12,5 | 2-25 | 5-35 |
Номинальный расход рабочей жидкости, л/мин | 4 | ||
Максимальный расход рабочей жидкости, л/мин | 10 | ||
Максимальное превышение давления настройки при мгновенном возрастании давления, МПа | 2,5 | ||
Момент силы, Нм, не более | 0,6 | ||
Масса (без рабочей жидкости), кг, не более, для исполнений: | 0,110 | ||
ДОСТАВКА
Вы можете выбрать любой наиболее удобный способ из перечисленных ниже:
Доставка до терминала ТК «Деловые линии» осуществляется нами бесплатно.
ОПЛАТА
Мы принимаем оплату:
Цены на поставляемые нами товар всегда ниже, чем у наших конкурентов.
Условия гарантийного обслуживания
Гарантия не распространяется на ущерб, причиненный другому оборудованию, работающему вместе с данным изделием.
Центр измерительной техники «Эталонприбор» располагает своим собственным ремонтным сервисом, где Вы можете получить услуги по: ремонту, наладке, калибровке, гарантийному и послегарантийному обслуживанию измерительного оборудования, как приобретенного у нас, так и у других поставщиков. Сервис работает на основе лицензии, выданной Ростехрегулированием РФ.
