Клапан предохранительный непрямого действия КПР-10 предназначен для ограничения величины давления подводимого к нему потока масла, поддержания установленного давления и предохранения гидросистемы от перегрузки.
Структура условного обозначения клапанов КПР-10/ X1 X2 X3 X4 X5 - X6 X7:
Пока давление в системе не преодолеет усилие, на которое настроена пружина, гидравлически уравновешенный золотник перекрывает выход масла на слив.
При повышении давления в гидросистеме конусный клапан, преодолевая усилие пружины, открывается, и масло поступает на слив.
С падением давления в гидросистеме ниже того, на которое настроена пружина, конусный клапан закрывается, прекращая поток масла на слив.

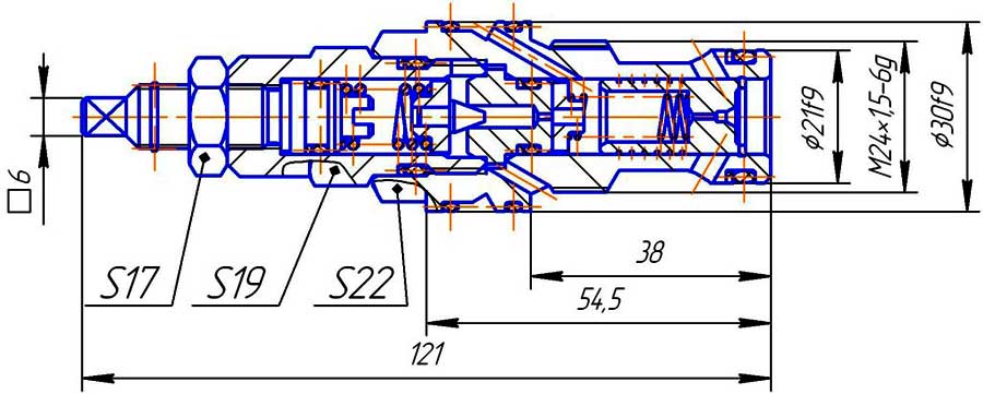
Конструктивная схема клапана КПР 10/*БВВ1

Конструктивная схема клапана КПР 10/*БВВ3

Конструктивная схема клапана: а) КПР 10/*БС*Г(В), б) КПР 10/*БС*ММ

Конструктивная схема клапана: а) КПР 10/*БТ*Г(В), б) КПР 10/*БТ*М
Давление на входе, МПа | |||
номинальное | 10 | 20 | 32 |
максимальное | 12,5 | 25 | 35 |
Диапазон настройки давления, МПа | 0,5-12,5 | 2-25 | 5-35 |
Внутренняя герметичность (максимальные внутренние утечки), см3/мин, не более | 100 | 150 | 200 |
Расход рабочей жидкости, л/мин | 63 100 5 | ||
Максимальное превышение давления настройки при мгновенном возрастании давления, МПа | 3,0 | ||
Время нарастания давления после прекращения разгрузки, с, не более | 0,2 | ||
Момент силы, Нм, не более | 0,6 | ||
Масса (без рабочей жидкости), кг, не более, для исполнений: КПР 10 /* С* – * КПР 10/* С** – * |
0,26 3,0 4,4 | ||
ДОСТАВКА
Вы можете выбрать любой наиболее удобный способ из перечисленных ниже:
Доставка до терминала ТК «Деловые линии» осуществляется нами бесплатно.
ОПЛАТА
Мы принимаем оплату:
Цены на поставляемые нами товар всегда ниже, чем у наших конкурентов.
Условия гарантийного обслуживания
Гарантия не распространяется на ущерб, причиненный другому оборудованию, работающему вместе с данным изделием.
Центр измерительной техники «Эталонприбор» располагает своим собственным ремонтным сервисом, где Вы можете получить услуги по: ремонту, наладке, калибровке, гарантийному и послегарантийному обслуживанию измерительного оборудования, как приобретенного у нас, так и у других поставщиков. Сервис работает на основе лицензии, выданной Ростехрегулированием РФ.
