Привод гидрораспределителя РЕ 10.3 УХЛ2 с разъемом типа «Автомобильный» предназначен для дистанционного управления золотником гидравлического распределителя с условным проходом ДУ=10 мм (РЕ 10).
Структура условного обозначения - ЭмРЕ 10.3 - X1 - УХЛ 2:

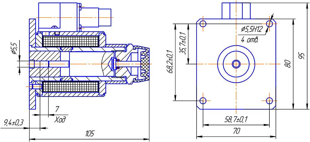
Конструктивная схема привода ЭмРЕ 10 – С – Г *- УХЛ2
При подаче напряжения на электоромагнит, возникает сила, которая через толкатель передается на торец золотника, тем самым переводя его из нейтрального положения в одно из рабочих положений.
Рабочее напряжение, постоянный ток, В | 12, 24, 48, 110, 220 |
Номинальное тяговое усилие, Н, не менее | 120 |
Ход якоря рабочий, мм | 3,2 |
Ход якоря полный, мм | 7 |
Потребляемая мощность, Вт | 45 |
Масса, кг | 1,45 |
ДОСТАВКА
Вы можете выбрать любой наиболее удобный способ из перечисленных ниже:
Доставка до терминала ТК «Деловые линии» осуществляется нами бесплатно.
ОПЛАТА
Мы принимаем оплату:
Цены на поставляемые нами товар всегда ниже, чем у наших конкурентов.
Условия гарантийного обслуживания
Гарантия не распространяется на ущерб, причиненный другому оборудованию, работающему вместе с данным изделием.
Центр измерительной техники «Эталонприбор» располагает своим собственным ремонтным сервисом, где Вы можете получить услуги по: ремонту, наладке, калибровке, гарантийному и послегарантийному обслуживанию измерительного оборудования, как приобретенного у нас, так и у других поставщиков. Сервис работает на основе лицензии, выданной Ростехрегулированием РФ.
