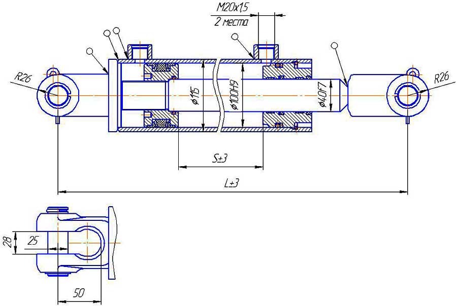
Гидроцилиндры рабочего органа борона ЦГ-100.40.400.01 используется для приведение в движение рабочих органов бороны БДТ-3, 6 (БДЮ).

Конструктивная схема гидроцилиндра
| Давление номинальное, МПа | 16 |
| Давление максимальное, МПа | 20 |
| Диаметр цилиндра, мм | 100 |
| Диаметр штока, мм | 40 |
| Ход поршня, мм | 400 |
| Скорость номинальная, м/с | 0,12 |
| Скорость максимальная, м/с | 0,15 |
| Масса, кг | 32 |
ДОСТАВКА
Вы можете выбрать любой наиболее удобный способ из перечисленных ниже:
Доставка до терминала ТК «Деловые линии» осуществляется нами бесплатно.
ОПЛАТА
Мы принимаем оплату:
Цены на поставляемые нами товар всегда ниже, чем у наших конкурентов.
Условия гарантийного обслуживания
Гарантия не распространяется на ущерб, причиненный другому оборудованию, работающему вместе с данным изделием.
Центр измерительной техники «Эталонприбор» располагает своим собственным ремонтным сервисом, где Вы можете получить услуги по: ремонту, наладке, калибровке, гарантийному и послегарантийному обслуживанию измерительного оборудования, как приобретенного у нас, так и у других поставщиков. Сервис работает на основе лицензии, выданной Ростехрегулированием РФ.
