Фильтр всасывающий сетчатый 20-160 предназначен для очистки от механических загрязнений минеральных масел с кинематической вязкостью от 10 до 300мм2/с (сСт) при температуре от +100С до +550С и температуре окружающей среды от +10С до +400С в гидравлических и смазочных системах металлорежущих станков и других машин.
| Параметры | Значения |
| Типоразмер | 20-160 |
| Условный проход, мм | 20 |
| Расход номинальный, л/мин | 40,0 |
| Ном. тонкость фильтрации,мкм | 160 |
| Перепад давления при ном. расходе мПа, не более | 0,007 |
| Масса, кг.,не более | 0,27 |
| Габаритные размеры,мм | 60х115 |
| Устаревшее обозначение | Фильтр 0,16С41-23 |
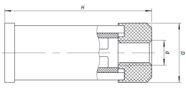
Габаритные размеры, мм:
| 60 155 28±0,5 G3/4"-B |

Рис.1. Схема фильтра всасывающего сетчатого 20-160
ДОСТАВКА
Вы можете выбрать любой наиболее удобный способ из перечисленных ниже:
Доставка до терминала ТК «Деловые линии» осуществляется нами бесплатно.
ОПЛАТА
Мы принимаем оплату:
Цены на поставляемые нами товар всегда ниже, чем у наших конкурентов.
Условия гарантийного обслуживания
Гарантия не распространяется на ущерб, причиненный другому оборудованию, работающему вместе с данным изделием.
Центр измерительной техники «Эталонприбор» располагает своим собственным ремонтным сервисом, где Вы можете получить услуги по: ремонту, наладке, калибровке, гарантийному и послегарантийному обслуживанию измерительного оборудования, как приобретенного у нас, так и у других поставщиков. Сервис работает на основе лицензии, выданной Ростехрегулированием РФ.
