Фильтры всасывающие сетчатые 8-160 устанавливаемые на всасывающей магистрали насоса, предназначены для очистки от механических загрязнений минеральных масел вязкостью от 10 до 300 м2/с (сСт) при температуре от +10°С до +55°С в гидравлических и смазочных системах металлорежущих станков и других машин. Температура окружающей среды от +1°С до +40°С.

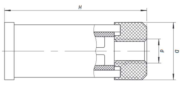
Рисунок 1 - Габаритная схема фильтра всасывающего сетчатого без предохранительного клапана 8-160
| Параметры | Значения |
| Типоразмер | Фильтр сетчатый 8-160 |
| Условный проход, мм | 8 |
| Расход номинальный, л/мин | 2,5 |
| Ном. тонкость фильтрации,мкм | 160 |
| Перепад давления при ном. расходе мПа, не более | 0,007 |
| Масса, кг.,не более | 0,05 |
| Габаритные размеры,мм | 32x70 |
| Устаревшее обозначение | Фильтр 0,16С41-21 |
Размеры, мм
| 32 70 15-5 Gl/4"-B |
ДОСТАВКА
Вы можете выбрать любой наиболее удобный способ из перечисленных ниже:
Доставка до терминала ТК «Деловые линии» осуществляется нами бесплатно.
ОПЛАТА
Мы принимаем оплату:
Цены на поставляемые нами товар всегда ниже, чем у наших конкурентов.
Условия гарантийного обслуживания
Гарантия не распространяется на ущерб, причиненный другому оборудованию, работающему вместе с данным изделием.
Центр измерительной техники «Эталонприбор» располагает своим собственным ремонтным сервисом, где Вы можете получить услуги по: ремонту, наладке, калибровке, гарантийному и послегарантийному обслуживанию измерительного оборудования, как приобретенного у нас, так и у других поставщиков. Сервис работает на основе лицензии, выданной Ростехрегулированием РФ.
