Смазочные станции СДЭ-320 двухмагистральные с электроприводом предназначены для поочередного нагнетания пластичных смазочных материалов в магистрали централизованных смазочных систем периодического действия.
Станции работают на пластичном смазочном материале с числом пенетрации не ниже 290 при температуре плюс 25 °C, отфильтрованном от частиц размером больше 0,25 мм, при температуре окружающей среды и смазочного материала от плюс 5 до плюс 40 °C.
Частота вращения вала насоса С-1 (об/мин): 1,05(63).
| Исполнение | Схема | Подача, л/мин | Номинальная вместимость бака, дм3 | Н, мм | D, мм | Масса (сухая), кг |
СДЭ-320/40 | 1 | 0,320 | 40 | 1200 | 280 | 133 |
СДЭ-320/40-1 | 2 | 156 | ||||
СДЭ-320/40-2 | 3 | 156 | ||||
СДЭ-320/100 | 1 | 100 | 1310 | 450 | 155 | |
СДЭ-320/100-1 | 2 | 178 | ||||
СДЭ-320/100-2 | 3 | 178 | ||||
СДЭ-320/160 | 1 | 160 | 546 | 163 | ||
СДЭ-320/160-1 | 2 | 186 | ||||
СДЭ-320/160-2 | 3 | 186 |
Примечания:

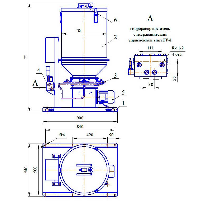
Схема №1 - Габаритные размеры смазочных станций СДЭ-320

Схема №2 - Габаритные размеры смазочных станций СДЭ-320

Схема №3 - Габаритные размеры смазочных станций СДЭ-320
Станция состоит из рамы, на которой крепится бак, насоса плунжерного, распределителя; электропривода; реле уровня.
Смазочная станция работает следующим образом: смазочный материал из бака поступает на насос плунжерный, приводимый в движение электроприводом, и подается им через распределитель в одну из магистралей. После подачи смазки ко всем точкам потребления давление в магистрали повышается. При достижении заданной величины давления в станциях с гидравлическим золотниковым распределителем срабатывает клапан распределителя и распределитель автоматически переключает подачу смазки на другую магистраль. В станциях с электромагнитным управлением при достижении заданной величины давления сигнал на отключение привода и переключение гидрораспределителя поступает от блока переключения типа БПС, установленного в системе смазки.
В баке станции установлено двухпредельное реле уровня, сигнализирующее о необходимости начать заправку (нижний уровень) или прекратить заправку (верхний уровень).

Схема №4 - Конструктивная схема смазочных станций СДЭ-320
ДОСТАВКА
Вы можете выбрать любой наиболее удобный способ из перечисленных ниже:
Доставка до терминала ТК «Деловые линии» осуществляется нами бесплатно.
ОПЛАТА
Мы принимаем оплату:
Цены на поставляемые нами товар всегда ниже, чем у наших конкурентов.
Условия гарантийного обслуживания
Гарантия не распространяется на ущерб, причиненный другому оборудованию, работающему вместе с данным изделием.
Центр измерительной техники «Эталонприбор» располагает своим собственным ремонтным сервисом, где Вы можете получить услуги по: ремонту, наладке, калибровке, гарантийному и послегарантийному обслуживанию измерительного оборудования, как приобретенного у нас, так и у других поставщиков. Сервис работает на основе лицензии, выданной Ростехрегулированием РФ.
