Станция смазочная многоотводная на 4,5 л (качательный привод) предназначена для подачи жидкою смазочного материала при номинальном давлении 10МПа (100кгс/см2) кинематической вязкостью от 10 до 1500мм2/с к трущимся поверхностям машин работающих в закрытых помещениях при температуре смазочного материала от 1 до 55°С.
Класс чистоты смазочного материала не ниже 12.
| Напряжение (отдельная фаза) | 110В или 220В |
| Потребляемая мощность, Вт | 56 |
| Мощность на выходе, Вт | 25 |
| Предельная сила тока на выходе, А | 0,3 (поплавковый переключатель) 3 (реле давления) |
| Длительность такта смазки (с/мин) | Регулируется системой управления PLC |
| Длительность между тактами смазки (с/мин/ч/циклов) | Регулируется системой управления PLC |
| Выходное отверстие | 4 или 6 |
| Макс. давление на выходе, МПа | 2 |
| Устройство сброса давления | есть |
| Поплавковый переключатель | есть |
| Реле давления | дополнительно |
| Манометр | есть |
| Звуковая сигнализация | нет |
| Вместимость резервуара, л | 4,5 |
| Масса, кг | 4,8 |
Станция смазочная состоит из:

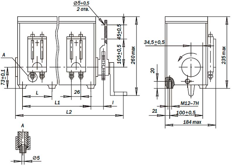
Схема - конструкция и габариты смазочной станции
ДОСТАВКА
Вы можете выбрать любой наиболее удобный способ из перечисленных ниже:
Доставка до терминала ТК «Деловые линии» осуществляется нами бесплатно.
ОПЛАТА
Мы принимаем оплату:
Цены на поставляемые нами товар всегда ниже, чем у наших конкурентов.
Условия гарантийного обслуживания
Гарантия не распространяется на ущерб, причиненный другому оборудованию, работающему вместе с данным изделием.
Центр измерительной техники «Эталонприбор» располагает своим собственным ремонтным сервисом, где Вы можете получить услуги по: ремонту, наладке, калибровке, гарантийному и послегарантийному обслуживанию измерительного оборудования, как приобретенного у нас, так и у других поставщиков. Сервис работает на основе лицензии, выданной Ростехрегулированием РФ.
